MYLEX

BT-747C

Card Type

Hard drive controller card

Hard Drives supported

Up to 7 SCSI devices

Floppy drives supported

Two 360KB, 720KB, 1.2MB, or 1.44MB drives

Data Bus

32-bit EISA

Card Size

Half-length, full-height card

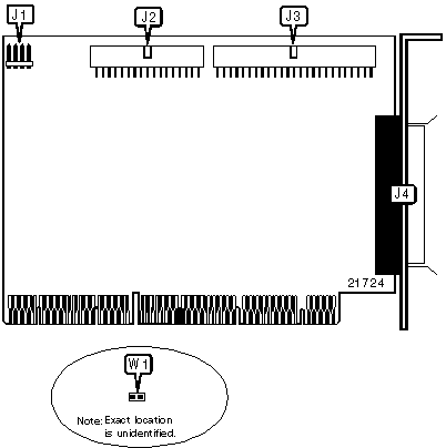
CONNECTIONS

Function

Location

Function

Location

4-pin connector - drive active LED

J1

50-pin SCSI connector - internal

J3

34-pin cable connector - floppy drive

J2

50-pin SCSI connector - external

J4

USER CONFIGURABLE SETTINGS

Function

Label

Position

»

Floppy drive interface enabled

W1

Closed

 

Floppy drive interface disabled

W1

Open