TANDY/RADIO SHACK

250-4161/250-4161A

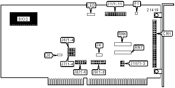
Card type

Hard drive controller

Hard Drives supported

Up to 7 SCSI devices

Floppy drives supported

None

Data Bus

16-bit ISA

Card Size

Half-length, full-height card

CONNECTIONS

Function

Location

Function

Location

50-pin SCSI connector - internal

CN1

Drive active LED

LED

USER CONFIGURABLE SETTINGS

Function

Label

Position

»

TERMPWR supplied from host adapter to SCSI interface

F1

Closed

 

TERMPWR not supplied to SCSI interface

F1

Open

»

Synchronous Negotiation disabled

J1/1

Open

 

Synchronous Negotiation enabled

J1/1

Closed

»

Factory configured - do not alter

J1/2

Open

»

SCSI parity check enabled

J1/3

Open

 

SCSI parity check disabled

J1/3

Closed

»

Zero wait states enabled

J4

Open

 

One wait state enabled

J4

Closed

»

System computer is Tandy 4000

J5

Open

 

System computer is Tandy 3000

J5

Closed

DMA CHANNEL SELECTION

Channel

J1/7

J1/8

J6/1

J6/2

J6/3

 

0

Closed

Closed

Closed

Open

Open

»

5

Open

Closed

Open

Closed

Open

 

6

Closed

Open

Open

Open

Closed

 

7

Open

Open

Open

Open

Open

DMA CHANNEL SELECTION (CONTINUED)

Channel

J6/4

J7/1

J7/2

J7/3

J7/4

 

0

Open

Closed

Open

Open

Open

»

5

Open

Open

Closed

Open

Open

 

6

Open

Open

Open

Closed

Open

 

7

Closed

Open

Open

Open

Closed

INTERRUPT SELECTION

Setting

J1/9

J1/10

J1/11

J8/1

J8/2

 

9

Open

Open

Open

Closed

Open

 

10

Closed

Open

Open

Open

Closed

»

11

Open

Closed

Open

Open

Open

 

13

Closed

Closed

Open

Open

Open

 

14

Open

Open

Closed

Open

Open

 

15

Closed

Open

Closed

Open

Open

INTERRUPT SELECTION (CONTINUED)

Setting

J8/3

J8/4

J8/5

J8/6

 

9

Open

Open

Open

Open

 

10

Open

Open

Open

Open

»

11

Closed

Open

Open

Open

 

13

Open

Closed

Open

Open

 

14

Open

Open

Closed

Open

 

15

Open

Open

Open

Closed

BIOS ADDRESS SELECTION

Address

J10/1

J10/2

J10/3

 

C0000h

Closed

Closed

Closed

 

C4000h

Closed

Closed

Open

 

C8000h

Closed

Open

Closed

 

CC000h

Closed

Open

Open

 

D0000h

Open

Closed

Closed

 

D4000h

Open

Closed

Open

 

D8000h

Open

Open

Closed

»

DC000h

Open

Open

Open

BASE I/O ADDRESS SELECTION

Setting

J9/1

J9/2

J9/3

J9/4

J9/5

J9/6

J9/7

J9/8

 

004h

Closed

Open

Open

Open

Open

Open

Open

Open

 

008h

Open

Closed

Open

Open

Open

Open

Open

Open

 

00Ch

Closed

Closed

Open

Open

Open

Open

Open

Open

 

010h

Open

Open

Closed

Open

Open

Open

Open

Open

 

014h

Closed

Open

Closed

Open

Open

Open

Open

Open

»

330h

Open

Open

Closed

Closed

Open

Open

Closed

Closed

 

3F0h

Open

Open

Closed

Closed

Closed

Closed

Closed

Closed

 

3F4h

Closed

Open

Open

Open

Open

Open

Closed

Closed

 

3F8h

Open

Open

Open

Open

Open

Open

Closed

Closed

 

3FCh

Open

Closed

Closed

Closed

Closed

Closed

Closed

Closed

 

3FFh

Closed

Closed

Closed

Closed

Closed

Closed

Closed

Closed

Note:

The switches are a binary representation of the decimal memory addresses. SW1/8 is the Most Significant Bit and switch SW1/1 is the Least Significant Bit. The switches have the following decimal values: SW1/8=512, SW1/7=256, SW1/6=128, SW1/5=64, SW1/4=32, SW1/3=16, SW1/2=8, SW1/1=4. Add the values of the closed jumpers to obtain the correct memory address. (Closed=1, Open=0)

ID SELECTION

SCSI ID

J1/4

J1/5

J1/6

 

0

Closed

Closed

Closed

»

1

Open

Closed

Closed

 

2

Closed

Open

Closed

 

3

Open

Open

Closed

 

4

Closed

Closed

Open

 

5

Open

Closed

Open

 

6

Closed

Open

Open

 

7

Open

Open

Open

TERMINATION SELECTION

Setting

RN6

RN7

»

Termination enabled

Installed

Installed

 

Termination disabled

Removed

Removed

Note: Terminators should be removed if inline terminators are used or the host adapter is not at the end of the SCSI bus.