TECHWAY

8W5241 EXTERNAL DRIVE CARD

Card Type

Floppy drive controller

Hard Drives supported

None

Floppy drives supported

Two 360KB, 720KB, 1.2MB, or 1.44MB drives

Data Bus

8-bit ISA

Card Size

Half-length, full-height card

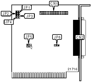
CONNECTIONS

Function

Location

Function

Location

34-pin cable connector - floppy drive - internal

CN1

34-pin cable connector - floppy drive - external

CN2

USER CONFIGURABLE SETTINGS

Function

Label

Position

»

3.5" drive interface AT

JP6

Pins 1 & 2 closed

 

3.5" drive interface PS2

JP6

Pins 2 & 3 closed

FLOPPY DRIVE A TYPE SELECTION

Type

JP1

JP2

360K

Closed

Closed

720K

Closed

Open

1.2M

Open

Closed

1.44M

Open

Open

FLOPPY DRIVE B TYPE SELECTION

Type

JP3

JP4

360K

Closed

Closed

720K

Closed

Open

1.2M

Open

Closed

1.44M

Open

Open

BIOS ADDRESS SELECTION

Address

JP5 Pins 1 & 2

JP5 Pins 3 & 4

CA00h

Open

Closed

CC00h

Closed

Open