AZTECH LABS, INC.

PCI 338-A3D (VER. 1.0)

Card Type

Sound card

Chip Set

Unidentified

I/O Options

Line in, microphone in, line out, game/MIDI port, audio in - CD-ROM,

TAD connector, auxiliary connector, wavetable connector

Data Bus

32-bit PCI

Card Size

Half-length, half-height card

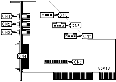
CONNECTIONS

Function

Label

Function

Label

Line in

CN1

Audio in - CD-ROM

CN5

Microphone in

CN2

TAD connector

CN6

Line out

CN3

Auxiliary line out

CN7

Game/MIDI port

CN4

Wavetable connector

CN8