CREATIVE LABS, INC.

SOUNDBLASTER 16

Card Type

Sound Card

Chipset/Controller

Creative Technology

I/O Options

CD-ROM interface game/MIDI port, line in, microphone jack,

speaker, volume control

Maximum DRAM

N/A

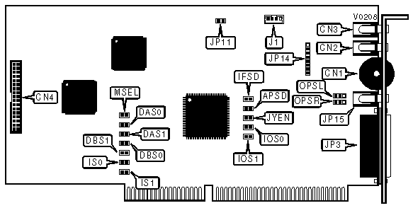
CONNECTIONS

Purpose

Location

Purpose

Location

Volume control

CN1

Game/MIDI port

JP3

Microphone jack

CN2

PC speaker connector

JP11

Line in

CN3

Audio extension

JP14

CD-ROM interface connector

CN4

Speaker jack

JP15

CD audio cable connector

J1

 

 

I/O ADDRESS CONFIGURATION

Address

I0S0

I0S1

»

220h

Closed

Closed

 

240h

Open

Closed

 

260h

Closed

Open

 

280h

Open

Open

BASE I/O ADDRESS SELECTION

Address

MSEL

»

330h

Closed

 

300h

Open

INTERRUPT CONFIGURATION

IRQ

IS0

IS1

»

5

Open

Closed

 

2

Closed

Closed

 

7

Closed

Open

 

10

Open

Open

8-BIT DMA CHANNEL SELECTION

Channel

DAS0

DAS1

»

1

Open

Closed

 

0

Closed

Closed

 

3

Closed

Open

16-BIT DMA CHANNEL SELECTION

Channel

DBS0

DBS1

»

5

Closed

Closed

 

6

Open

Closed

 

7

Closed

Open

GAME PORT CONFIGURATION

Setting

JYEN

»

Enabled

Closed

 

Disabled

Open

AUDIO OUTPUT AMPLIFIER SELECTION

Setting

OPSL

OPSR

»

Internal amplifier

Pins 2 & 3 closed

Pins 2 & 3 closed

 

External amplifier

Pins 1 & 2 closed

Pins 1 & 2 closed

ADVANCED SIGNAL PROCESSOR UPGRADE CHIP CONFIGURATION

Setting

IFSD

APSD

»

Not installed

Closed

Closed

 

Installed

Open

Open