CHASE RESEARCH, INC.

CHASE IOXTRA

Card Type

Serial card

Chip Set

Unidentified

I/O Options

Serial ports (2)

Card Size

Half-length, full-height

Data Bus

8-bit ISA

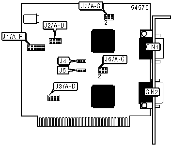
CONNECTIONS

Function

Label

Function

Label

Serial port A

CN1

Serial port B

CN2

USER CONFIGURABLE SETTINGS

Function

Label

Position

Serial port A enabled

J4

Pins 2 & 3 closed

Serial port A disabled

J4

Pins 1 & 2 closed

Serial port B enabled

J5

Pins 2 & 3 closed

Serial port B disabled

J5

Pins 1 & 2 closed

CLOCK SET

Clock

J1/A

J1/B

J1/C

J1/D

J1/E

J1/F

2C0

Closed

Open

Open

Open

Open

Open

2C8

Open

Closed

Open

Open

Open

Open

2D0

Open

Open

Closed

Open

Open

Open

2D8

Open

Open

Open

Closed

Open

Open

3C0

Open

Open

Open

Open

Closed

Open

3C8

Open

Open

Open

Open

Open

Closed

SERIAL PORT A ADDRESS SELECTION

Setting

J7

COM1

Pins 1 & 3, 2 & 4 closed

COM3

Pins 1 & 3, 4 & 6 closed

SERIAL PORT B ADDRESS SELECTION

Setting

J6

COM2

Pins 3 & 5, 2 & 4 closed

COM4

Pins 3 & 5, 4 & 6 closed

SERIAL PORT A INTERRUPT SETTINGS

IRQ

J2/A

J2/B

J2/C

J2/D

3

Closed

Open

Open

Open

4

Open

Closed

Open

Open

5

Open

Open

Closed

Open

9

Open

Open

Open

Closed

SERIAL PORT B INTERRUPT SETTINGS

IRQ

J3/A

J3/B

J3/C

J3/D

3

Closed

Open

Open

Open

4

Open

Closed

Open

Open

5

Open

Open

Closed

Open

9

Open

Open

Open

Closed