UNIDENTIFIED

286 I/O CARD

Card Type

Multi I/O card

Chipset/Controller

N/A

I/O Options

Game port, parallel port, serial ports (2)

Maximum DRAM

N/A

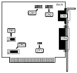
CONNECTIONS

Purpose

Location

Purpose

Location

Serial port 1

CN1

Game port

CN3

Serial port 2

CN2

Parallel port

CN4

SERIAL PORT CONFIGURATION

Port 1 (CN1)

Port 2 (CN2)

SW1/1

SW1/2

»

COM1

COM2

On

On

 

COM2

COM3

On

Off

 

COM3

COM4

Off

On

 

Disabled

Disabled

Off

Off

SERIAL PORT INTERRUPT SELECTION

Port 1

Port 2

SW2/1

SW2/2

SW2/3

SW2/4

»

IRQ4

IRQ3

On

Off

Off

On

 

IRQ3

IRQ4

Off

On

On

Off

PARALLEL PORT ADDRESS SELECTION

LPT

JP1

SW1/4

»

1

Pins 2 & 3 closed

On

 

2

Pins 1 & 2 closed

On

 

Disabled

N/A

Off

PARALLEL PORT CONFIGURATION

Setting

SW1/4

»

Enabled

On

 

Disabled

Off

PARALLEL PORT INTERRUPT SELECTION

IRQ

SW2/5

SW2/6

»

7

Off

On

 

5

On

Off