ADVANCED INTEGRATION RESEARCH, INC.

P6KPI

Processor

Pentium II

Processor Speed

180/200/233/266/300MHz

Chip Set

Intel

Video Chip Set

None

Maximum Onboard Memory

1GB (EDO supported)

Maximum Video Memory

None

Cache

256/512KB (located on Pentium II CPU)

BIOS

AMI

Dimensions

305mm x 244mm

I/O Options

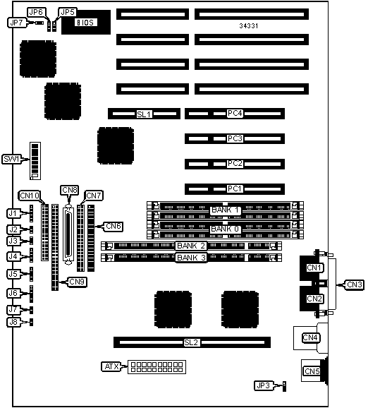
32-bit PCI slots (4), floppy drive interface, green PC connector, IDE interfaces (2), SCSI interface, Ultra-Wide SCSI interface, parallel port, PS/2 mouse port, serial ports (2), IR connector, USB connector, ATX power connector, RAID slot, CPU Slot 1

NPU Options

None

CONNECTIONS

Purpose

Location

Purpose

Location

ATX power connector

ATX

Reset switch

J3

Serial port 2

CN1

Speaker

J4

Serial port 1

CN2

IDE interface LED

J5

Parallel port

CN3

Power LED & keylock

J6

USB connector

CN4

Turbo LED

J7

PS/2 mouse port

CN5

Soft off power supply

J8

IDE interface 1

CN6

Chassis fan power

JP3

IDE interface 2

CN7

Case fan power

JP5

Ultra-Wide SCSI interface

CN8

Case fan power

JP6

SCSI interface

CN9

Case sensor

JP7

Floppy drive interface

CN10

32-bit PCI slots

PC1 – PC4

IR connector

J1

RAID slot

SL1

Green PC connector

J2

CPU Slot 1

SL2

USER CONFIGURABLE SETTINGS

Function

Label

Position

»

SCSI low byte enabled

SW1/8

On

 

SCSI high byte enabled

SW1/8

Off

DIMM/DRAM CONFIGURATION

Size

Bank 0

Bank 1

Bank 2

Bank 3

8MB

(2) 1M x 36

None

None

None

8MB

None

None

None

(1) 1M x 64

16MB

(2) 1M x 36

(2) 1M x 36

None

None

16MB

None

None

(1) 1M x 64

(1) 1M x 64

16MB

(2) 2M x 36

None

None

None

16MB

None

None

None

(1) 2M x 64

24MB

(2) 1M x 36

(2) 1M x 36

(1) 1M x 64

None

32MB

(2) 1M x 36

(2) 1M x 36

(1) 1M x 64

(1) 1M x 64

32MB

(2) 2M x 36

(2) 2M x 36

None

None

32MB

None

None

(1) 2M x 64

(1) 2M x 64

32MB

(2) 4M x 36

None

None

None

32MB

None

None

None

(1) 4M x 64

48MB

(2) 2M x 36

(2) 2M x 36

(1) 2M x 64

None

64MB

(2) 2M x 36

(2) 2M x 36

(1) 2M x 64

(1) 2M x 64

64MB

(2) 4M x 36

(2) 4M x 36

None

None

64MB

None

None

(1) 4M x 64

(1) 4M x 64

64MB

(2) 8M x 36

None

None

None

64MB

None

None

None

(1) 8M x 64

96MB

(2) 4M x 36

(2) 4M x 36

(1) 4M x 64

None

128MB

(2) 4M x 36

(2) 4M x 36

(1) 4M x 64

(1) 4M x 64

128MB

(2) 8M x 36

(2) 8M x 36

None

None

DIMM/DRAM CONFIGURATION (CON’T)

Size

Bank 0

Bank 1

Bank 2

Bank 3

128MB

None

None

(1) 8M x 64

(1) 8M x 64

128MB

(2) 16M x 36

None

None

None

128MB

None

None

None

(1) 16M x 64

192MB

(2) 8M x 36

(2) 8M x 36

(1) 8M x 64

None

256MB

(2) 8M x 36

(2) 8M x 36

(1) 8M x 64

(1) 8M x 64

256MB

(2) 16M x 36

(2) 16M x 36

None

None

256MB

None

None

(1) 16M x 64

(1) 16M x 64

256MB

(2) 32M x 36

None

None

None

384MB

(2) 16M x 36

(2) 16M x 36

(1) 16M x 64

None

512MB

(2) 16M x 36

(2) 16M x 36

(1) 16M x 64

(1) 16M x 64

512MB

(2) 32M x 36

(2) 32M x 36

None

None

768MB

(2) 32M x 36

(2) 32M x 36

(1) 32M x 64

None

1GB

(2) 32M x 36

(2) 32M x 36

(1) 32M x 64

(1) 32M x 64

Note: Board accepts EDO memory. Board also accepts non-parity SIMMs & DIMMs.

CACHE CONFIGURATION

Note: 256KB/512KB cache is located on the Pentium II CPU.

CPU SPEED SELECTION

Speed

SW1/1

SW1/2

SW1/3

SW1/4

SW1/5

SW1/6

SW1/7

180MHz

Off

Off

Off

On

Off

On

On

200MHz

On

On

Off

On

Off

On

On

233MHz

On

On

Off

Off

Off

On

On

266MHz

On

On

Off

On

On

Off

On

300MHz

On

On

Off

Off

On

Off

On