AMERICAN MEGATRENDS, INC.

OLYMPUS

Device Type

Mainboard

Processor

Pentium II/Celeron/Xeon

Processor Speed

233/266/300/333/350/400/450MHz

Chip Set

Intel 440BX

Video Chip Set

None

Maximum Onboard Memory

512MB (SDRAM supported)

Maximum Video Memory

None

Cache

256/512KB (located on Pentium II/Xeon CPU)

BIOS

AMI

Dimensions

305mm x 244mm

I/O Options

32-bit PCI slots (5), floppy drive interface, green PC connector, IDE interfaces (2), parallel port, PS/2 mouse port, serial ports (2), IR connector, USB connectors (3), ATX power connector, AGP slot

NPU Options

None

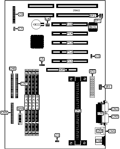
CONNECTIONS

Purpose

Location

Purpose

Location

AGP slot

AGP

Soft off power supply

C6/pins 23 & 24

ATX power connector

ATX

Reset switch

C6/pins 27 & 28

Chassis fan power

C1

Parallel port

CN1

CPU fan power

C2

Serial port

CN2

Wake on LAN connector

C3

Serial port

CN3

SB link connector

C4

USB connector

CN4

External USB connector

C5

USB connector

CN5

Power LED & keylock

C6/pins 1 - 5

PS/2 mouse port

CN6

Turbo LED

C6/pins 7 & 8

IDE interface 2

CN7

Green PC connector

C6/pins 10 & 11

IDE interface 1

CN8

Green PC LED

C6/pins 13 & 14

Floppy drive interface

CN9

Speaker

C6/pins 15 - 18

IR connector

IR1

IDE interface LED

C6/pins 20 & 21

32-bit PCI slots

PC1 - PC5

DIMM CONFIGURATION

Size

Bank 0

Bank 1

Bank 2

Bank 3

8MB

(1) 1M x 64

None

None

None

16MB

(1) 2M x 64

None

None

None

16MB

(1) 1M x 64

(1) 1M x 64

None

None

24MB

(1) 2M x 64

(1) 1M x 64

None

None

24MB

(1) 1M x 64

(1) 1M x 64

(1) 1M x 64

None

32MB

(1) 4M x 64

None

None

None

32MB

(1) 2M x 64

(1) 2M x 64

None

None

32MB

(1) 1M x 64

(1) 1M x 64

(1) 1M x 64

(1) 1M x 64

40MB

(1) 4M x 64

(1) 1M x 64

None

None

48MB

(1) 4M x 64

(1) 2M x 64

None

None

48MB

(1) 2M x 64

(1) 2M x 64

(1) 2M x 64

None

64MB

(1) 2M x 64

(1) 2M x 64

(1) 2M x 64

(1) 2M x 64

64MB

(1) 8M x 64

None

None

None

64MB

(1) 4M x 64

(1) 4M x 64

None

None

72MB

(1) 8M x 64

(1) 1M x 64

None

None

80MB

(1) 8M x 64

(1) 2M x 64

None

None

96MB

(1) 8M x 64

(1) 4M x 64

None

None

96MB

(1) 4M x 64

(1) 4M x 64

(1) 4M x 64

None

128MB

(1) 16M x 64

None

None

None

128MB

(1) 8M x 64

(1) 8M x 64

None

None

DIMM CONFIGURATION (CON'T)

Size

Bank 0

Bank 1

Bank 2

Bank 3

128MB

(1) 4M x 64

(1) 4M x 64

(1) 4M x 64

(1) 4M x 64

136MB

(1) 16M x 64

(1) 1M x 64

None

None

144MB

(1) 16M x 64

(1) 2M x 64

None

None

152MB

(1) 16M x 64

(1) 1M x 64

(1) 1M x 64

(1) 1M x 64

160MB

(1) 16M x 64

(1) 4M x 64

None

None

176MB

(1) 16M x 64

(1) 2M x 64

(1) 2M x 64

(1) 2M x 64

192MB

(1) 16M x 64

(1) 8M x 64

None

None

192MB

(1) 8M x 64

(1) 8M x 64

(1) 8M x 64

None

224MB

(1) 16M x 64

(1) 4M x 64

(1) 4M x 64

(1) 4M x 64

256MB

(1) 16M x 64

(1) 16M x 64

None

None

256MB

(1) 8M x 64

(1) 8M x 64

(1) 8M x 64

(1) 8M x 64

272MB

(1) 16M x 64

(1) 16M x 64

(1) 1M x 64

(1) 1M x 64

288MB

(1) 16M x 64

(1) 16M x 64

(1) 2M x 64

(1) 2M x 64

320MB

(1) 16M x 64

(1) 16M x 64

(1) 4M x 64

(1) 4M x 64

320MB

(1) 16M x 64

(1) 8M x 64

(1) 8M x 64

(1) 8M x 64

384MB

(1) 16M x 64

(1) 16M x 64

(1) 16M x 64

None

512MB

(1) 16M x 64

(1) 16M x 64

(1) 16M x 64

(1) 16M x 64

Note: Board accepts EDO & SDRAM memory.

CACHE CONFIGURATION

Note: 256KB/512KB cache is located on the Pentium II/Xeon CPU.

CPU SPEED SELECTION

CPU speed

Clock speed

Multiplier

SW1/1

SW1/2

SW1/3

SW1/4

233MHz

66MHz

3.5x

On

Off

On

Off

266MHz

66MHz

4x

On

On

Off

On

300MHz

66MHz

4.5x

On

On

Off

Off

333MHz

66MHz

5x

On

Off

Off

On

350MHz

100MHz

3.5x

On

Off

On

Off

400MHz

100MHz

4x

On

On

Off

On

450MHz

100MHz

4.5x

On

On

Off

Off

CMOS MEMORY SELECTION

Setting

SW1/5

SW1/6

»

Normal

Off

Off

 

Clear

On

On

FLASH BIOS SELECTION

Setting

EP1

EP2

AMD AM29F002T

Pins 2 & 3 closed

Pins 2 & 3 closed

ATMEL AT29C010

Pins 2 & 3 closed

Pins 2 & 3 closed

MXIC MX28F2000P

Pins 1 & 2 closed

Pins 2 & 3 closed

SST 29EE010

Pins 2 & 3 closed

Pins 2 & 3 closed