ACTION WELL DEVELOPMENT, LTD.

AM-8887

Device Type

Mainboard

Processor

80486SX/UMC486DX/AM486DX/80486DX/SL80486DX/UMC486DX2/ CX486DX2/IBM486DX2/TI486DX2/AM486DX2/80486DX2/

SL80486DX2/CX486DX4/IBM486DX4/TI486DX4/AM486DX4/

(SL) AM486DX4/SL80486DX4/P24D/P24T/CX 5X86/AM 5X86

Processor Speed

25/33/40/50(internal)/50/66(internal)/75(internal)/80(internal)/

100(internal)/120(internal)/133(internal)MHz

Chip Set

UMC

Maximum Onboard Memory

64MB (EDO & SDRAM supported)

Cache

128/256/512KB

BIOS

AMI

Dimensions

220mm x 180mm

I/O Options

32-bit PCI slots (3), floppy drive interface, green PC connector, IDE interfaces (2), parallel port, serial ports (2), IR connector

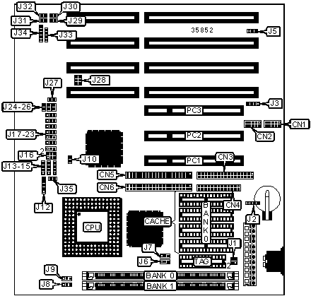
CONNECTIONS

Purpose

Location

Purpose

Location

Serial port 2

CN1

Green PC connector

J10

Serial port 1

CN2

IDE interface LED

J29

Floppy drive interface

CN3

Turbo switch

J30

Parallel port

CN4

Reset switch

J31

IDE interface 2

CN5

Turbo LED

J32

IDE interface 1

CN6

Speaker

J33

External battery

J2

Power LED & keylock

J34

IR connector

J3

32-bit PCI slots

PC1 – PC3

USER CONFIGURABLE SETTINGS

Function

Label

Position

 

Battery type select internal

J2

Pins 1 & 2 closed

 

Battery type select external

J2

Open

 

CMOS memory clear

J2

Pins 3 & 4 closed

»

Flash BIOS voltage select 5v

J5

Pins 2 & 3 closed

 

Flash BIOS voltage select 12v

J5

Pins 1 & 2 closed

SIMM CONFIGURATION

Size

Bank 0

Bank 1

Bank 2

Bank 3

1MB

(1) 256K x 36

None

None

None

2MB

(1) 512K x 36

None

None

None

2MB

(1) 256K x 36

(1) 256K x 36

None

None

3MB

(1) 512K x 36

(1) 256K x 36

None

None

4MB

(1) 1M x 36

None

None

None

4MB

(1) 512K x 36

(1) 512K x 36

None

None

5MB

(1) 1M x 36

(1) 256K x 36

None

None

6MB

(1) 1M x 36

(1) 512K x 36

None

None

8MB

(1) 1M x 36

(1) 1M x 36

None

None

16MB

(1) 4M x 36

None

None

None

17MB

(1) 4M x 36

(1) 256K x 36

None

None

18MB

(1) 4M x 36

(1) 512K x 36

None

None

20MB

(1) 4M x 36

(1) 1M x 36

None

None

32MB

(1) 8M x 36

None

None

None

32MB

(1) 4M x 36

(1) 4M x 36

None

None

SIMM CONFIGURATION (CON’T)

Size

Bank 0

Bank 1

Bank 2

Bank 3

33MB

(1) 8M x 36

(1) 256K x 36

None

None

34MB

(1) 8M x 36

(1) 512K x 36

None

None

36MB

(1) 8M x 36

(1) 1M x 36

None

None

48MB

(1) 8M x 36

(1) 4M x 36

None

None

64MB

(1) 8M x 36

(1) 8M x 36

None

None

Note: Board accepts EDO memory.

CACHE CONFIGURATION

Size

Bank 0

TAG

128KB

(4) 32K x 8

(1) 32K x 8

256KB

(4) 64K x 8

(1) 32K x 8

512KB

(4) 128K x 8

(1) 32K x 8

CACHE JUMPER CONFIGURATION

Size

J1

128KB

Open

256KB

Pins 1 & 2 closed

512KB

Pins 1 & 2, 3 & 4 closed

CPU SPEED SELECTION

Speed

J28

25MHz

Pins 1 & 2 closed

33MHz

Pins 1 & 2, 3 & 4, 5 & 6 closed

40MHz

Pins 1 & 2, 3 & 4 closed

50iMHz

Pins 1 & 2 closed

50MHz

Pins 5 & 6 closed

66iMHz

Pins 1 & 2, 3 & 4, 5 & 6 closed

75iMHz

Pins 1 & 2 closed

80iMHz

Pins 1 & 2, 3 & 4 closed

100iMHz

Pins 1 & 2, 3 & 4, 5 & 6 closed

120iMHz

Pins 1 & 2, 3 & 4 closed

133iMHz

Pins 1 & 2, 3 & 4, 5 & 6 closed

CPU TYPE SELECTION

Type

J6

J7

J12

J13

J14

80486SX

1 & 2

1 & 2

Open

2 & 3

Open

UMC486DX

1 & 2

1 & 2

2 & 3, 4 & 5

1 & 2, 3 & 4

Open

AM486DX

1 & 2

2 & 3

Open

1 & 2, 3 & 4

Open

80486DX

1 & 2

1 & 2

Open

1 & 2, 3 & 4

Open

SL80486DX

1 & 2

1 & 2

2 & 3, 4 & 5

1 & 2, 3 & 4

Open

UMC486DX2

1 & 2

1 & 2

2 & 3, 4 & 5

1 & 2, 3 & 4

Open

CX486DX2

2 & 3

1 & 2

1 & 2, 3 & 4

1 & 2, 3 & 4

2 & 3

IBM486DX2

2 & 3

1 & 2

1 & 2, 3 & 4

1 & 2, 3 & 4

2 & 3

TI486DX2

2 & 3

1 & 2

1 & 2, 3 & 4

1 & 2, 3 & 4

2 & 3

AM486DX2

1 & 2

2 & 3

Open

1 & 2, 3 & 4

Open

80486DX2

1 & 2

1 & 2

Open

1 & 2, 3 & 4

Open

SL80486DX2

1 & 2

1 & 2

2 & 3, 4 & 5

1 & 2, 3 & 4

Open

CX486DX4

2 & 3

1 & 2

1 & 2, 3 & 4

1 & 2, 3 & 4

2 & 3

IBM486DX4

2 & 3

1 & 2

1 & 2, 3 & 4

1 & 2, 3 & 4

2 & 3

TI486DX4

2 & 3

1 & 2

1 & 2, 3 & 4

1 & 2, 3 & 4

2 & 3

AM486DX4

1 & 2

2 & 3

Open

1 & 2, 3 & 4

Open

(SL) AM486DX4

1 & 2

1 & 2

2 & 3, 4 & 5

1 & 2, 3 & 4

Open

SL80486DX4

1 & 2

1 & 2

2 & 3, 4 & 5

1 & 2, 3 & 4

Open

P24D

1 & 2

1 & 2

1 & 2, 3 & 4

1 & 2, 3 & 4

Open

P24T

1 & 2

1 & 2

2 & 3, 4 & 5

1 & 2, 3 & 4

1 & 2

CX 5X86

1 & 2

1 & 2

2 & 3, 4 & 5

1 & 2, 3 & 4

Open

AM 5X86

1 & 2

1 & 2

2 & 3, 4 & 5

1 & 2, 3 & 4

Open

Note: Pins designated should be in the closed position.

CPU TYPE SELECTION (CON’T)

Type

J15

J16

J17

J18

J19

80486SX

Open

1 & 2

Open

Open

Open

UMC486DX

3 & 4

3 & 4

Open

Open

Open

AM486DX

3 & 4

1 & 2

Open

Open

Open

80486DX

3 & 4

1 & 2

Open

Open

Open

SL80486DX

3 & 4

3 & 4

Open

Open

Open

UMC486DX2

3 & 4

3 & 4

Open

Open

Open

CX486DX2

3 & 4

3 & 4

2 & 3

1 & 2

2 & 3

IBM486DX2

3 & 4

3 & 4

2 & 3

1 & 2

2 & 3

TI486DX2

3 & 4

3 & 4

2 & 3

1 & 2

2 & 3

AM486DX2

3 & 4

1 & 2

Open

Open

Open

80486DX2

3 & 4

1 & 2

Open

Open

Open

SL80486DX2

3 & 4

3 & 4

Open

Open

Open

CX486DX4

3 & 4

3 & 4

2 & 3

1 & 2

Open

IBM486DX4

3 & 4

3 & 4

2 & 3

1 & 2

Open

TI486DX4

3 & 4

3 & 4

2 & 3

1 & 2

Open

AM486DX4

3 & 4

1 & 2

Open

Open

Open

(SL) AM486DX4

3 & 4

3 & 4

Open

Open

Open

SL80486DX4

3 & 4

3 & 4

Open

Open

Open

P24D

3 & 4

3 & 4

Open

Open

Open

P24T

2 & 3

3 & 4, 5 & 6

1 & 2

2 & 3

Open

CX 5X86

3 & 4

3 & 4

Open

Open

Open

AM 5X86

3 & 4

3 & 4

Open

Open

Open

Note: Pins designated should be in the closed position.

CPU TYPE SELECTION (CON’T)

Type

J20

J21

J22

J23

J24

80486SX

Open

Open

Open

Open

Open

UMC486DX

1 & 2

2 & 3

Open

1 & 2

Open

AM486DX

Open

Open

Open

Open

Open

80486DX

Open

Open

Open

Open

Open

SL80486DX

1 & 2

2 & 3

Open

1 & 2

Open

UMC486DX2

1 & 2

2 & 3

Open

1 & 2

Open

CX486DX2

2 & 3

Open

Open

1 & 2

Open

IBM486DX2

2 & 3

Open

Open

1 & 2

Open

TI486DX2

2 & 3

Open

Open

1 & 2

Open

AM486DX2

Open

Open

Open

Open

Open

80486DX2

Open

Open

Open

Open

Open

SL80486DX2

1 & 2

2 & 3

Open

1 & 2

Open

CX486DX4

2 & 3

Open

Open

1 & 2

Open

IBM486DX4

2 & 3

Open

Open

1 & 2

Open

TI486DX4

2 & 3

Open

Open

1 & 2

Open

AM486DX4

Open

Open

Open

Open

Open

(SL) AM486DX4

1 & 2

Open

2 & 3

1 & 2

Closed

SL80486DX4

1 & 2

Open

Open

1 & 2

Open

P24D

1 & 2

2 & 3

2 & 3

1 & 2

Closed

P24T

1 & 2

2 & 3

Open

1 & 2

Open

CX 5X86

1 & 2

Open

2 & 3

1 & 2

Open

AM 5X86

1 & 2

1 & 2

2 & 3

1 & 2

Closed

Note: Pins designated should be in the closed position.

CPU TYPE SELECTION (CON’T)

Type

J25

J26

J27

80486SX

Open

Open

Open

UMC486DX

Open

Open

Open

AM486DX

Open

Open

Open

80486DX

Open

Open

Open

SL80486DX

Open

Open

Open

UMC486DX2

Open

Open

Open

CX486DX2

Open

Open

Open

IBM486DX2

Open

Open

Open

TI486DX2

Open

Open

Open

AM486DX2

Open

Open

Open

80486DX2

Open

Open

Open

SL80486DX2

Open

Open

Open

CX486DX4

Open

Open

Open

IBM486DX4

Open

Open

Open

TI486DX4

Open

Open

Open

AM486DX4

Open

Open

Open

(SL) AM486DX4

Closed

Closed

Open

SL80486DX4

Open

Open

Open

P24D

Closed

Closed

Open

P24T

Open

Open

Open

CX 5X86

Closed

Open

Closed

AM 5X86

Closed

Closed

Open

CPU VOLTAGE SELECTION

Voltage

J8

J9

J35

3.3v

Pins 2 & 3 closed

Pins 2 & 3 closed

Closed

4v

Pins 2 & 3 closed

Pins 2 & 3 closed

Open

5v

Pins 1 & 2 closed

Pins 1 & 2 closed

Open