ADVANTECH CO., LTD.
PCM-4823L
|
Device Type |
Single board computer |
|
Processor |
AM DX5 |
|
Processor Speed |
133MHz |
|
Chip Set |
VIA VT82C496G |
|
Maximum Onboard Memory |
32MB (EDO supported) |
|
Cache |
None |
|
BIOS |
Award |
|
Dimensions |
145mm x 102mm |
|
I/O Options |
Ethernet 10BaseT connector, floppy drive interface, IDE interface, parallel port, PS/2 mouse port, serial ports (2), IR connector, PC/104 connectors (2) |
|
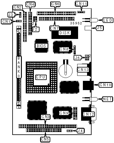
CONNECTIONS | |||
|
Purpose |
Location |
Purpose |
Location |
|
Power connector |
CN1 |
Serial port 2 |
CN9 |
|
Floppy drive interface |
CN2 |
Ethernet 10BaseT connector |
CN10 |
|
PC/104 connector |
CN3 |
Power connector |
CN11 |
|
Parallel port |
CN4 |
Serial port 1 |
CN12 |
|
PC/104 connector |
CN5 |
PS/2 mouse port |
CN13 |
|
Flat panel connector |
CN6 |
Reset switch |
J5 |
|
IDE interface |
CN7 |
IDE interface LED |
LED |
|
IR connector |
CN8 |
Ethernet LED |
NET |
|
USER CONFIGURABLE SETTINGS | |||
|
Function |
Label |
Position | |
|
» |
LCD voltage select 5v |
J3 |
Pins 2 & 3 closed |
|
LCD voltage select 3.3v |
J3 |
Pins 1 & 2 closed | |
|
» |
CMOS memory normal operation |
J4 |
Pins 2 & 3 closed |
|
CMOS memory clear |
J4 |
Pins 1 & 2 closed | |
|
SIMM CONFIGURATION | |
|
Size |
Bank 0 |
|
1MB |
(1) 256K x 36 |
|
2MB |
(1) 512K x 36 |
|
4MB |
(1) 1M x 36 |
|
8MB |
(1) 2M x 36 |
|
16MB |
(1) 4M x 36 |
|
32MB |
(1) 8M x 36 |
|
Note: Board accepts EDO memory. | |
|
SERIAL PORT 2 SELECTION | ||
|
Setting |
J6 | |
| » |
RS-232 |
Pins 1 & 2 closed |
|
RS-422 |
Pins 3 & 4 closed | |
|
RS-485 |
Pins 5 & 6 closed | |
|
DISK ADDRESS SELECTION | ||||
|
Address |
J2/pins 1 & 2 |
J2/pins 3 & 4 |
J2/pins 5 & 6 | |
|
C800 |
Closed |
Closed |
Closed | |
|
CC00 |
Closed |
Closed |
Open | |
| » |
D000 |
Closed |
Open |
Closed |
|
D400 |
Closed |
Open |
Open | |
|
D800 |
Open |
Closed |
Closed | |
|
DC00 |
Open |
Closed |
Open | |
|
E000 |
Open |
Open |
Closed | |
|
Disabled |
Open |
Open |
Open | |