DELL COMPUTER CORPORATION

DIMENSION XPS HXXX

Processor

Pentium II

Processor Speed

233/266MHz

Chip Set

Intel

Video Chip Set

None

Maximum Onboard Memory

128MB (EDO supported)

Maximum Video Memory

None

Cache

512KB (located on Pentium II CPU)

BIOS

Unidentified

Dimensions

305mm x 244mm

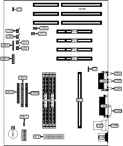
I/O Options

32-bit PCI slots (4), floppy drive interface, IDE interfaces (2), parallel port, PS/2 mouse port, serial ports (2), USB connectors (2), ATX power connector, line in, line out, microphone in, game/MIDI port, CPU Slot 1, CD-ROM audio in

NPU Options

None

CONNECTIONS

Purpose

Location

Purpose

Location

ATX power connector

ATX

IDE interface 2

CN10

CD-ROM audio in

C2

IDE interface 1

CN11

Game/MIDI port

CN1

Floppy drive interface

CN12

Microphone in

CN2

Wavetable connector

J7C1

Line in

CN3

Wavetable connector

J7D1

Line out

CN4

SCSI interface LED

J8D1

Serial port

CN5

Chassis fan power

J8L1

Parallel port

CN6

Front panel connector

J9D1

USB connector

CN7

32-bit PCI slots

PC1 – PC4

USB connector

CN8

CPU Slot 1

SL1

PS/2 mouse port

CN9

   

USER CONFIGURABLE SETTINGS

Function

Label

Position

»

Factory configured - do not alter

C1

Unidentified

»

Factory configured - do not alter

J1A

Pins 5 & 6 closed

»

CMOS memory normal operation

J1C

Pins 5 & 6 closed

 

CMOS memory clear

J1C

Pins 4 & 5 closed

»

Password enabled

J1D

Pins 2 & 3 closed

Password disabled

J1D

Pins 1 & 2 closed

»

Setup access enabled

J1D

Pins 5 & 6 closed

 

Setup access disabled

J1D

Pins 4 & 5 closed

DRAM CONFIGURATION

Size

Bank 0

Bank 1

8MB

(2) 1M x 32

None

16MB

(2) 2M x 32

None

16MB

(2) 1M x 32

(2) 1M x 32

24MB

(2) 2M x 32

(2) 1M x 32

32MB

(2) 4M x 32

None

32MB

(2) 2M x 32

(2) 2M x 32

40MB

(2) 4M x 32

(2) 1M x 32

48MB

(2) 4M x 32

(2) 2M x 32

64MB

(2) 8M x 32

None

64MB

(2) 4M x 32

(2) 4M x 32

72MB

(2) 8M x 32

(2) 1M x 32

80MB

(2) 8M x 32

(2) 2M x 32

96MB

(2) 8M x 32

(2) 4M x 32

128MB

(2) 8M x 32

(2) 8M x 32

Note: Board accepts EDO memory.

CACHE CONFIGURATION

Note: 512KB cache is located on the Pentium II CPU.

CPU SPEED SELECTION

CPU speed

J1A

J1B

J1C

233MHz

Pins 2 & 3 closed

Pins 2 & 3, 5 & 6 closed

Pins 2 & 3 closed

266MHz

Pins 1 & 2 closed

Pins 2 & 3, 5 & 6 closed

Pins 2 & 3 closed