HEWLETT-PACKARD COMPANY

HP NETSERVER LF

Processor

80486DX4/Pentium

Processor Speed

66MHz Pentium/100(internal)MHz 80486DX4

Chip Set

Hewlett Packard

Max. Onboard DRAM

136MB (80486DX4) or 192MB (Pentium)

Cache

256KB (non-configurable, location unknown)

BIOS

Phoenix

Dimensions

330mm x 218mm

I/O Options

CPU card slot, floppy drive interface, IDE interface, parallel port, serial ports (2), SCSI ports (2), VGA port

NPU Options

None

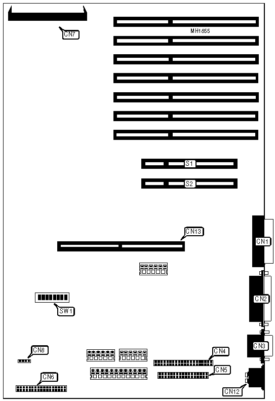
CONNECTIONS

Purpose

Location

Purpose

Location

External SCSI interface

CN1

15-pin analog video port

CN9

Parallel port

CN2

Serial port 1

CN10

Serial port 2

CN3

Bus mouse port

CN11

IDE interface

CN4

Keyboard connector

CN12

Floppy drive interface

CN5

CPU card slot

CN13

Control panel cable connector

CN6

PCI slot

S1

Internal SCSI interface

CN7

PCI slot

S2

Clock battery connector

CN8

   

USER CONFIGURABLE SETTINGS

Function

Switch

Position

»

BIOS configurable select

SW1/1

On

 

BIOS not configurable

SW1/1

Off

»

Factory configured-do not alter

SW1/2

On

»

Current system CMOS & NVRAM save configuration

SW1/3

On

 

Current system CMOS & NVRAM erase configuration

SW1/3

Off

»

Current system CMOS & NVRAM configurable

SW1/4

On

 

Current system CMOS & NVRAM not configurable

SW1/4

Off

»

Password enabled

SW1/5

On

 

Password clear

SW1/5

Off

»

SMI interrupt disabled

SW1/6

Off

 

SMI interrupt enabled

SW1/6

On

»

I/O controller enabled

SW1/7

On

 

I/O controller disabled

SW1/7

Off

»

Onboard video adapter enabled

SW1/8

On

 

Onboard video adapter disabled

SW1/8

Off

DRAM CONFIGURATION 80486 PROCESSOR BOARD

Size

Bank 0

Bank 1

Bank 2

8MB

(2) 1M x 36

NONE

NONE

16MB

(2) 1M x 36

(2) 1M x 36

NONE

24MB

(2) 1M x 36

(2) 1M x 36

(2) 1M x 36

40MB

(2) 1M x 36

(2) 4M x 36

NONE

74MB

(2) 1M x 36

(2) 4M x 36

(2) 4M x 36

136MB

(2) 1M x 36

(2) 16M x 36

NONE

DRAM CONFIGURATION PENTIUM PROCESSOR BOARD

Size

Bank 0

Bank 1

Bank 2

16MB

(2) 2M x 36

NONE

NONE

32MB

(2) 2M x 36

(2) 2M x 36

NONE

32MB

(2) 4M x 36

NONE

NONE

48MB

(2) 2M x 36

(2) 2M x 36

(2) 2M x 36

48MB

(2) 2M x 36

(2) 4M x 36

NONE

64MB

(2) 2M x 36

(2) 2M x 36

(2) 4M x 36

80MB

(2) 2M x 36

(2) 4M x 36

(2) 4M x 36

96MB

(2) 4M x 36

(2) 4M x 36

(2) 4M x 36

128MB

(2) 16M x 36

NONE

NONE

144MB

(2) 16M x 36

(2) 2M x 36

NONE

160MB

(2) 16M x 36

(2) 2M x 36

(2) 2M x 36

160MB

(2) 16M x 36

(2) 4M x 36

NONE

192MB

(2) 16M x 36

(2) 4M x 36

(2) 4M x 36