ELITEGROUP COMPUTER SYSTEMS, INC.
P5HX-A (VER. 1.0)
|
Processor |
CX M1/Pentium |
|
Processor Speed |
75/90/100/120/133/150/166/200MHz |
|
Chip Set |
Intel |
|
Video Chip Set |
None |
|
Maximum Onboard Memory |
256MB (EDO supported) |
|
Maximum Video Memory |
None |
|
Cache |
256/512KB |
|
BIOS |
Unidentified |
|
Dimensions |
330mm x 218mm |
|
I/O Options |
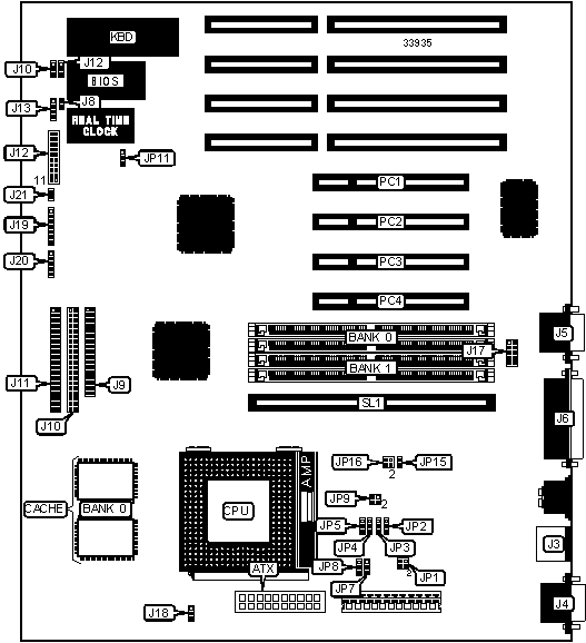
32-bit PCI slots (4), floppy drive interface, green PC connector, IDE interfaces (2), parallel port, PS/2 mouse port, serial ports (2), cache slot, IR connectors (2), USB connector, ATX power connector, soft on/off power switch |
|
NPU Options |
None |
|
CONNECTIONS | |||
|
Purpose |
Location |
Purpose |
Location |
|
ATX power connector |
ATX |
Power LED & keylock |
J12 pins 11 - 15 |
|
PS/2 mouse port |
J3 |
Speaker |
J12 pins 17 - 20 |
|
Serial port 1 |
J4 |
IDE interface LED |
J13 |
|
Serial port 2 |
J5 |
USB connector |
J17 |
|
Parallel port |
J6 |
Chassis fan power |
J18 |
|
Green PC LED |
J8 |
IR connector (fast) |
J19 |
|
Floppy drive interface |
J9 |
IR connector |
J20 |
|
IDE interface 1 |
J10 |
Soft on/off power switch |
J21 |
|
IDE interface 2 |
J11 |
32-bit PCI slots |
PC1 - PC4 |
|
Green PC connector |
J12 pins 4 & 5 |
Cache slot |
SL1 |
|
Reset switch |
J12 pins 9 & 10 | ||
|
USER CONFIGURABLE SETTINGS | |||
|
Function |
Label |
Position | |
|
Flash BIOS voltage select 12v |
JP10 |
Pins 2 & 3 closed | |
|
Flash BIOS voltage select 5v |
JP10 |
Pins 1 & 2 closed | |
|
» |
CMOS memory normal operation |
JP11 |
Pins 2 & 3 closed |
|
CMOS memory clear |
JP11 |
Pins 1 & 2 closed | |
|
Flash BIOS normal operation |
JP12 |
Pins 2 & 3 closed | |
|
Flash BIOS recovery mode |
JP12 |
Pins 1 & 2 closed | |
|
» |
Factory configured - do not alter |
JP16 |
Unidentified |
|
DRAM CONFIGURATION | ||
|
Size |
Bank 0 |
Bank 1 |
|
8MB |
(2) 1M x 36 |
None |
|
16MB |
(2) 2M x 36 |
None |
|
16MB |
(2) 1M x 36 |
(2) 1M x 36 |
|
24MB |
(2) 2M x 36 |
(2) 1M x 36 |
|
32MB |
(2) 4M x 36 |
None |
|
32MB |
(2) 2M x 36 |
(2) 2M x 36 |
|
40MB |
(2) 4M x 36 |
(2) 1M x 36 |
|
48MB |
(2) 4M x 36 |
(2) 2M x 36 |
|
64MB |
(2) 8M x 36 |
None |
|
64MB |
(2) 4M x 36 |
(2) 4M x 36 |
|
72MB |
(2) 8M x 36 |
(2) 1M x 36 |
|
80MB |
(2) 8M x 36 |
(2) 2M x 36 |
|
96MB |
(2) 8M x 36 |
(2) 4M x 36 |
|
128MB |
(2) 8M x 36 |
(2) 8M x 36 |
|
128MB |
(2) 16M x 36 |
None |
|
136MB |
(2) 16M x 36 |
(2) 1M x 36 |
|
DRAM CONFIGURATION (CON’T) | ||
|
Size |
Bank 0 |
Bank 1 |
|
144MB |
(2) 16M x 36 |
(2) 2M x 36 |
|
160MB |
(2) 16M x 36 |
(2) 4M x 36 |
|
192MB |
(2) 16M x 36 |
(2) 8M x 36 |
|
256MB |
(2) 16M x 36 |
(2) 16M x 36 |
|
Note: Board accepts EDO memory. | ||
|
CACHE CONFIGURATION | ||
|
Size |
Bank 0 |
SL1 |
|
256KB (A) |
None |
256KB module installed |
|
256KB (B) |
(2) 32K x 32 |
Not installed |
|
512KB (A) |
None |
512KB module installed |
|
512KB (B) |
(2) 32K x 32 |
256KB module installed |
|
512KB (C) |
(2) 64K x 32 |
Not installed |
|
CACHE JUMPER CONFIGURATION | |
|
Size |
JP15 |
|
256KB (A) |
Open |
|
256KB (B) |
Closed |
|
512KB (A) |
Open |
|
512KB (B) |
Closed |
|
512KB (C) |
Open |
|
CPU SPEED SELECTION (CYRIX) | |||||
|
CPU speed |
Clock speed |
Multiplier |
JP7 |
JP8 |
JP9 |
|
120MHz |
50MHz |
2x |
Open |
2 & 3 |
1 & 2, 3 & 4 |
|
133MHz |
55MHz |
2x |
Open |
2 & 3 |
Open |
|
150MHz |
60MHz |
2x |
Open |
2 & 3 |
3 & 4 |
|
166MHz |
66MHz |
2x |
Open |
2 & 3 |
1 & 2 |
|
Note: Pins designated should be in the closed position. | |||||
|
CPU SPEED SELECTION (INTEL) | |||||
|
CPU speed |
Clock speed |
Multiplier |
JP7 |
JP8 |
JP9 |
|
75MHz |
50MHz |
1.5x |
1 & 2 |
1 & 2 |
1 & 2, 3 & 4 |
|
90MHz |
60MHz |
1.5x |
1 & 2 |
1 & 2 |
3 & 4 |
|
100MHz |
66MHz |
1.5x |
1 & 2 |
1 & 2 |
1 & 2 |
|
120MHz |
60MHz |
2x |
1 & 2 |
2 & 3 |
3 & 4 |
|
133MHz |
66MHz |
2x |
1 & 2 |
2 & 3 |
1 & 2 |
|
150MHz * |
60MHz |
2.5x |
2 & 3 |
2 & 3 |
3 & 4 |
|
166MHz * |
66MHz |
2.5x |
2 & 3 |
2 & 3 |
1 & 2 |
|
200MHz |
66MHz |
3x |
2 & 3 |
1 & 2 |
1 & 2 |
|
Note: Pins designated should be in the closed position. *If P55C is used, install U37. | |||||
|
CPU VOLTAGE SELECTION | ||||||
|
Voltage |
JP1 |
JP2 |
JP3 |
JP4 |
JP5 | |
| » |
3.3v |
1 & 2 |
1 & 2 |
1 & 2 |
1 & 2 |
1 & 2 |
|
3.52v |
3 & 4 |
3 & 4 |
3 & 4 |
3 & 4 |
3 & 4 | |
|
Intel P55C |
1 & 2 |
2 & 3 |
2 & 3 |
2 & 3 |
2 & 3 | |
|
Note: Pins designated should be in the closed position. | ||||||