FIRST INTERNATIONAL COMPUTER, INC.

PA-2010

Processor

CX M1/IBM/AM K5/Pentium

Processor Speed

75/90/100/120/133/150/166/187/200/225MHz

Chip Set

Unidentified

Video Chip Set

None

Maximum Onboard Memory

512MB (EDO supported)

Maximum Video Memory

None

Cache

256/512/1024KB

BIOS

Unidentified

Dimensions

305mm x 244mm

I/O Options

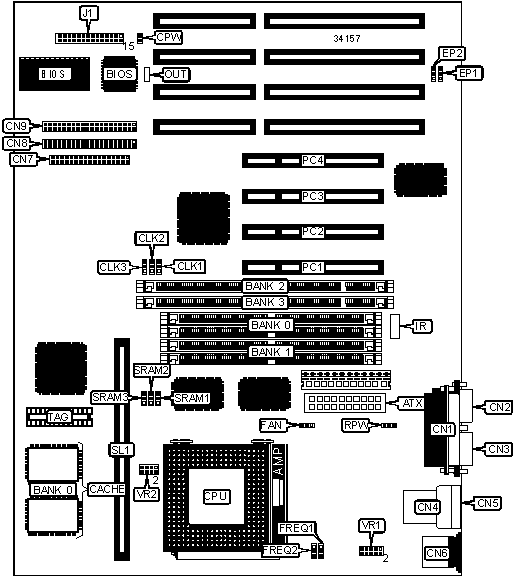
32-bit PCI slots (4), floppy drive interface, green PC connector, IDE interfaces (2), parallel port, PS/2 mouse port, serial ports (2), cache slot, IR connector, USB connectors (2), ATX power connector

NPU Options

None

CONNECTIONS

Purpose

Location

Purpose

Location

ATX power connector

ATX

Power LED & keylock

J1 pins 1 - 5

Parallel port

CN1

Turbo LED

J1 pins 7 & 8

Serial port 2

CN2

Green PC connector

J1 pins 10 & 11

Serial port 1

CN3

Green PC LED

J1 pins 13 & 14

USB connector 1

CN4

Speaker

J1 pins 15 - 18

USB connector 2

CN5

IDE interface LED

J1 pins 20 & 21

PS/2 mouse port

CN6

Remote power switch

J1 pins 23 & 24

Floppy drive interface

CN7

Reset switch

J1 pins 27 & 28

IDE interface 1

CN8

Outlet connector

OUT

IDE interface 2

CN9

32-bit PCI slots

PC1 – PC4

Chassis fan power

FAN

Remote power switch

RPW

IR connector

IR

Cache slot

SL1

USER CONFIGURABLE SETTINGS

Function

Label

Position

»

Password normal operation

CPW

Open

 

Password clear

CPW

Closed

DIMM/DRAM CONFIGURATION

Size

Bank 0

Bank 1

Bank 2

Bank 3

8MB

(2) 1M x 36

None

None

None

8MB

None

None

(1) 1M x 64

None

16MB

(2) 2M x 36

None

None

None

16MB

None

None

(1) 2M x 64

None

24MB

(2) 1M x 36

None

(1) 1M x 64

(1) 1M x 64

24MB

(2) 1M x 36

(2) 1M x 36

(1) 1M x 64

None

32MB

(2) 2M x 36

None

(1) 1M x 64

(1) 1M x 64

32MB

(2) 4M x 36

None

None

None

32MB

None

None

(1) 4M x 64

None

40MB

(2) 1M x 36

None

(1) 2M x 64

(1) 2M x 64

40MB

(2) 2M x 36

(2) 2M x 36

(1) 1M x 64

None

48MB

(2) 1M x 36

(2) 1M x 36

(1) 4M x 64

None

48MB

(2) 2M x 36

None

(1) 2M x 64

(1) 2M x 64

48MB

(2) 2M x 36

(2) 2M x 36

(1) 2M x 64

None

48MB

(2) 4M x 36

None

(1) 1M x 64

(1) 1M x 64

64MB

(2) 2M x 36

(2) 2M x 36

(1) 4M x 64

None

64MB

(2) 4M x 36

None

(1) 2M x 64

(1) 2M x 64

64MB

(2) 8M x 36

None

None

None

DIMM/DRAM CONFIGURATION (CON’T)

Size

Bank 0

Bank 1

Bank 2

Bank 3

72MB

(2) 1M x 36

None

(1) 4M x 64

(1) 4M x 64

72MB

(2) 4M x 36

(2) 4M x 36

(1) 1M x 64

None

80MB

(2) 1M x 36

(2) 1M x 36

(1) 8M x 64

None

80MB

(2) 2M x 36

None

(1) 4M x 64

(1) 4M x 64

80MB

(2) 4M x 36

(2) 4M x 36

(1) 2M x 64

None

80MB

(2) 8M x 36

None

(1) 1M x 64

(1) 1M x 64

96MB

(2) 2M x 36

(2) 2M x 36

(1) 8M x 64

None

96MB

(2) 4M x 36

None

(1) 4M x 64

(1) 4M x 64

96MB

(2) 4M x 36

(2) 4M x 36

(1) 4M x 64

None

96MB

(2) 8M x 36

None

(1) 2M x 64

(1) 2M x 64

96MB

(2) 4M x 36

(2) 4M x 36

(1) 4M x 64

None

96MB

(2) 8M x 36

None

(1) 4M x 64

None

128MB

(2) 16M x 36

None

None

None

128MB

None

None

(1) 8M x 64

(1) 8M x 64

136MB

(2) 1M x 36

None

(1) 8M x 64

(1) 8M x 64

144MB

(2) 2M x 36

None

(1) 8M x 64

(1) 8M x 64

160MB

(2) 16M x 36

None

(1) 2M x 64

(1) 2M x 64

160MB

(2) 4M x 36

None

(1) 8M x 64

(1) 8M x 64

192MB

(2) 8M x 36

None

(1) 8M x 64

(1) 8M x 64

192MB

(2) 16M x 36

None

(1) 4M x 64

(1) 4M x 64

256MB

(2) 16M x 36

None

(1) 8M x 64

(1) 8M x 64

264MB

(2) 16M x 36

(2) 16M x 36

(1) 1M x 64

None

272MB

(2) 16M x 36

(2) 16M x 36

(1) 2M x 64

None

288MB

(2) 16M x 36

(2) 16M x 36

(1) 4M x 64

None

288MB

(2) 32M x 36

None

(1) 2M x 64

(1) 2M x 64

320MB

(2) 32M x 36

None

(1) 4M x 64

(1) 4M x 64

384MB

(2) 32M x 36

None

(1) 8M x 64

(1) 8M x 64

512MB

(2) 32M x 36

(2) 32M x 36

None

None

Note: Board accepts EDO memory.

CACHE CONFIGURATION

Size

Bank 0

SL1

TAG

256KB (A)

(4) 32K x 8

Not installed

(1) 16K/32K x 8

512KB (A)

(2) 64K x 32

Not installed

(1) 16K/32K x 8

512KB (B)

(4) 32K x 8

256KB module installed

(1) 16K/32K x 8

1MB

(2) 64K x 32

512KB module installed

(1) 32K x 8

CACHE JUMPER CONFIGURATION

Size

SRAM1

SRAM2

256KB (A)

Pins 1 & 2 closed

Pins 1 & 2 closed

512KB (A)

Pins 2 & 3 closed

Pins 1 & 2 closed

512KB (B)

Pins 2 & 3 closed

Pins 1 & 2 closed

1MB

Pins 2 & 3 closed

Pins 2 & 3 closed

CACHE CONFIGURATION

Type

SRAM3

»

Intel burst

Pins 1 & 2 closed

 

Linear burst

Pins 2 & 3 closed

CPU SPEED SELECTION (CYRIX M1)

CPU speed

Clock speed

Multiplier

CLK1

CLK2

CLK3

FREQ1

FREQ2

120MHz

50MHz

2x

2 & 3

2 & 3

2 & 3

2 & 3

1 & 2

133MHz

55MHz

2x

2 & 3

2 & 3

1 & 2

2 & 3

1 & 2

150MHz

60MHz

2x

1 & 2

2 & 3

2 & 3

2 & 3

1 & 2

166MHz

66MHz

2x

2 & 3

1 & 2

2 & 3

2 & 3

1 & 2

200MHz

75MHz

2x

1 & 2

2 & 3

1 & 2

2 & 3

1 & 2

Note: Pins designated should be in the closed position.

CPU SPEED SELECTION (CYRIX M2)

CPU speed

Clock speed

Multiplier

CLK1

CLK2

CLK3

FREQ1

FREQ2

150MHz

60MHz

2.5x

1 & 2

2 & 3

2 & 3

2 & 3

2 & 3

166MHz

66MHz

2.5x

2 & 3

1 & 2

2 & 3

2 & 3

2 & 3

180MHz

60MHz

3x

1 & 2

2 & 3

2 & 3

1 & 2

2 & 3

187MHz

75MHz

2.5x

1 & 2

2 & 3

1 & 2

2 & 3

1 & 2

200MHz

66MHz

3.5x

2 & 3

1 & 2

2 & 3

1 & 2

1 & 2

225MHz

75MHz

3x

1 & 2

2 & 3

1 & 2

1 & 2

2 & 3

Note: Pins designated should be in the closed position.

CPU SPEED SELECTION (IBM M1)

CPU speed

Clock speed

Multiplier

CLK1

CLK2

CLK3

FREQ1

FREQ2

120MHz

50MHz

2x

2 & 3

2 & 3

2 & 3

2 & 3

1 & 2

133MHz

55MHz

2x

2 & 3

2 & 3

1 & 2

2 & 3

1 & 2

150MHz

60MHz

2x

1 & 2

2 & 3

2 & 3

2 & 3

1 & 2

166MHz

66MHz

2x

2 & 3

1 & 2

2 & 3

2 & 3

1 & 2

200MHz

75MHz

2x

1 & 2

2 & 3

1 & 2

2 & 3

1 & 2

Note: Pins designated should be in the closed position.

CPU SPEED SELECTION (IBM M2)

CPU speed

Clock speed

Multiplier

CLK1

CLK2

CLK3

FREQ1

FREQ2

150MHz

60MHz

2.5x

1 & 2

2 & 3

2 & 3

2 & 3

2 & 3

166MHz

66MHz

2.5x

2 & 3

1 & 2

2 & 3

2 & 3

2 & 3

180MHz

60MHz

3x

1 & 2

2 & 3

2 & 3

1 & 2

2 & 3

187MHz

75MHz

2.5x

1 & 2

2 & 3

1 & 2

2 & 3

1 & 2

200MHz

66MHz

3.5x

2 & 3

1 & 2

2 & 3

1 & 2

1 & 2

225MHz

75MHz

3x

1 & 2

2 & 3

1 & 2

1 & 2

2 & 3

Note: Pins designated should be in the closed position.

CPU SPEED SELECTION (AMD)

CPU speed

Clock speed

Multiplier

CLK1

CLK2

CLK3

FREQ1

FREQ2

75MHz

50MHz

1.5x

2 & 3

2 & 3

2 & 3

1 & 2

1 & 2

90MHz

60MHz

1.5x

1 & 2

2 & 3

2 & 3

1 & 2

1 & 2

100MHz

66MHz

1.5x

2 & 3

1 & 2

2 & 3

1 & 2

1 & 2

120MHz

60MHz

1.5x

1 & 2

2 & 3

2 & 3

1 & 2

1 & 2

133MHz

66MHz

1.5x

2 & 3

1 & 2

2 & 3

1 & 2

1 & 2

150MHz

60MHz

1.75x

1 & 2

2 & 3

2 & 3

2 & 3

2 & 3

166MHz

66MHz

1.75x

2 & 3

1 & 2

2 & 3

2 & 3

2 & 3

200MHz

66MHz

2x

2 & 3

1 & 2

2 & 3

2 & 3

1 & 2

Note: Pins designated should be in the closed position.

CPU SPEED SELECTION (INTEL)

CPU speed

Clock speed

Multiplier

CLK1

CLK2

CLK3

FREQ1

FREQ2

75MHz

50MHz

1.5x

2 & 3

2 & 3

2 & 3

1 & 2

1 & 2

90MHz

60MHz

1.5x

1 & 2

2 & 3

2 & 3

1 & 2

1 & 2

100MHz

66MHz

1.5x

2 & 3

1 & 2

2 & 3

1 & 2

1 & 2

120MHz

60MHz

2x

1 & 2

2 & 3

2 & 3

2 & 3

1 & 2

133MHz

66MHz

2x

2 & 3

1 & 2

2 & 3

2 & 3

1 & 2

150MHz

60MHz

2.5x

1 & 2

2 & 3

2 & 3

2 & 3

2 & 3

166MHz

66MHz

2.5x

2 & 3

1 & 2

2 & 3

2 & 3

2 & 3

200MHz

66MHz

3x

2 & 3

1 & 2

2 & 3

1 & 2

2 & 3

Note: Pins designated should be in the closed position.

CPU VOLTAGE SELECTION (SINGLE)

Voltage

VR1

VR2

3.3v

Pins 3 & 4 closed

Pins 1 & 2, 3 & 4 closed

3.4v – 3.6v

Pins 1 & 2 closed

Pins 1 & 2, 3 & 4 closed

CPU VOLTAGE SELECTION (DUAL)

Voltage

V core

VR1

VR2

3.3v

2.5v

Pins 9 & 10 closed

Pins 5 & 6, 7 & 8 closed

3.3v

2.8v

Pins 7 & 8 closed

Pins 5 & 6, 7 & 8 closed

3.3v

2.9v

Pins 5 & 6 closed

Pins 5 & 6, 7 & 8 closed

FLASH BIOS SELECTION

Setting

EP1

EP2

AMD AM29F002T

Pins 1 & 2 closed

Pins 2 & 3 closed

ATMEL AT29C020

Open

Pins 2 & 3 closed

Intel 28F001

Pins 1 & 2 closed

Pins 2 & 3 closed

MXIC MX28F2000P

Pins 2 & 3 closed

Pins 2 & 3 closed

SST 29EE020 (1M)

Pins 2 & 3 closed

Open

SST 29EE020 (2M)

Open

Pins 2 & 3 closed