EFA CORPORATION
P5TX-ATX
|
Device Type |
Mainboard |
|
Processor |
CX 6X86/CX 6X86L/CX 686MX/AM K5/AM K6/Pentium/Pentium MMX |
|
Processor Speed |
90/100/120/133/150/166/200/233MHz |
|
Chip Set |
Intel |
|
Video Chip Set |
None |
|
Maximum Onboard Memory |
256MB (EDO & SDRAM supported) |
|
Maximum Video Memory |
None |
|
Cache |
256/512KB |
|
BIOS |
Award |
|
Dimensions |
305mm x 220mm |
|
I/O Options |
32-bit PCI slots (4), floppy drive interface, green PC connector, IDE interfaces (2), parallel port, PS/2 mouse interface, serial ports (2), IR connector, USB connector, ATX power connector |
|
NPU Options |
None |
|
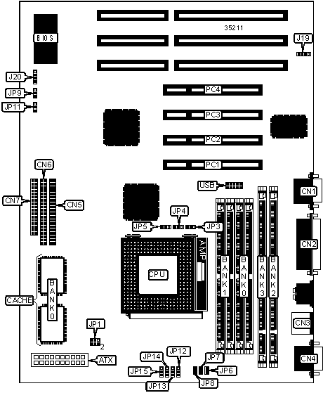
CONNECTIONS | |||
|
Purpose |
Location |
Purpose |
Location |
|
ATX power connector |
ATX |
Power LED & keylock |
J15/pins 2/4/6/8/10 |
|
Serial port 2 |
CN1 |
Turbo LED |
J15/pins 11 & 12 |
|
Parallel port |
CN2 |
Green PC connector |
J15/pins 13 & 14 |
|
PS/2 mouse port |
CN3 |
IDE interface LED |
J15/pins 15 & 16 |
|
Serial port 1 |
CN4 |
Reset switch |
J15/pins 17 & 18 |
|
IDE interface 2 |
CN5 |
Green PC LED |
J15/pins 19 & 20 |
|
IDE interface 1 |
CN6 |
IR connector |
J19 |
|
Floppy drive interface |
CN7 |
External battery |
J20 |
|
Soft off power supply |
J5 |
32-bit PCI slots |
PC1 – PC4 |
|
Speaker |
J15/pins1/3/5/7 |
USB connector |
USB |
|
Note: The location of J9 & J15 is unidentified. | |||
|
USER CONFIGURABLE SETTINGS | |||
|
Function |
Label |
Position | |
|
» |
Factory configured - do not alter |
JP3 |
Unidentified |
|
» |
Factory configured - do not alter |
JP8 |
Unidentified |
|
» |
CMOS memory normal operation |
JP9 |
Pins 1 & 2 closed |
|
CMOS memory clear |
JP9 |
Pins 2 & 3 closed | |
|
» |
Factory configured - do not alter |
JP11 |
Unidentified |
|
SIMM CONFIGURATION | ||
|
Size |
Bank 0 |
Bank 1 |
|
8MB |
(2) 1M x 36 |
None |
|
16MB |
(2) 2M x 36 |
None |
|
16MB |
(2) 1M x 36 |
(2) 1M x 36 |
|
24MB |
(2) 2M x 36 |
(2) 1M x 36 |
|
32MB |
(2) 4M x 36 |
None |
|
32MB |
(2) 2M x 36 |
(2) 2M x 36 |
|
40MB |
(2) 4M x 36 |
(2) 1M x 36 |
|
48MB |
(2) 4M x 36 |
(2) 2M x 36 |
|
64MB |
(2) 8M x 36 |
None |
|
64MB |
(2) 4M x 36 |
(2) 4M x 36 |
|
72MB |
(2) 8M x 36 |
(2) 1M x 36 |
|
80MB |
(2) 8M x 36 |
(2) 2M x 36 |
|
96MB |
(2) 8M x 36 |
(2) 4M x 36 |
|
128MB |
(2) 8M x 36 |
(2) 8M x 36 |
|
128MB |
(2) 16M x 36 |
None |
|
136MB |
(2) 16M x 36 |
(2) 1M x 36 |
|
144MB |
(2) 16M x 36 |
(2) 2M x 36 |
|
160MB |
(2) 16M x 36 |
(2) 4M x 36 |
|
192MB |
(2) 16M x 36 |
(2) 8M x 36 |
|
256MB |
(2) 16M x 36 |
(2) 16M x 36 |
|
Note: Board accepts EDO memory. | ||
|
DIMM CONFIGURATION | ||
|
Size |
Bank 2 |
Bank 3 |
|
8MB |
(1) 1M x 64 |
None |
|
16MB |
(1) 2M x 64 |
None |
|
16MB |
(1) 1M x 64 |
(1) 1M x 64 |
|
24MB |
(1) 2M x 64 |
(1) 1M x 64 |
|
32MB |
(1) 4M x 64 |
None |
|
32MB |
(1) 2M x 64 |
(1) 2M x 64 |
|
40MB |
(1) 4M x 64 |
(1) 1M x 64 |
|
48MB |
(1) 4M x 64 |
(1) 2M x 64 |
|
64MB |
(1) 8M x 64 |
None |
|
64MB |
(1) 4M x 64 |
(1) 4M x 64 |
|
72MB |
(1) 8M x 64 |
(1) 1M x 64 |
|
80MB |
(1) 8M x 64 |
(1) 2M x 64 |
|
96MB |
(1) 8M x 64 |
(1) 4M x 64 |
|
128MB |
(1) 16M x 64 |
None |
|
128MB |
(1) 8M x 64 |
(1) 8M x 64 |
|
136MB |
(1) 16M x 64 |
(1) 1M x 64 |
|
144MB |
(1) 16M x 64 |
(1) 2M x 64 |
|
160MB |
(1) 16M x 64 |
(1) 4M x 64 |
|
192MB |
(1) 16M x 64 |
(1) 8M x 64 |
|
256MB |
(1) 16M x 64 |
(1) 16M x 64 |
|
Note: Board accepts SDRAM memory. | ||
|
CACHE CONFIGURATION | |
|
Size |
Bank 0 |
|
256KB |
(2) 32K x 32 |
|
512KB |
(2) 64K x 32 |
|
CPU SPEED SELECTION (CX 6X86) | ||||||
|
CPU speed |
Clock speed |
Multiplier |
JP4 |
JP5 |
JP6 |
JP7 |
|
133MHz |
55MHz |
2x |
2 & 3 |
1 & 2 |
Closed |
Closed |
|
150MHz |
60MHz |
2x |
2 & 3 |
1 & 2 |
Closed |
Open |
|
166MHz |
66MHz |
2x |
2 & 3 |
1 & 2 |
Open |
Open |
|
Note: Pins designated should be in the closed position. | ||||||
|
CPU SPEED SELECTION (CX 6X86L) | ||||||
|
CPU speed |
Clock speed |
Multiplier |
JP4 |
JP5 |
JP6 |
JP7 |
|
166MHz |
66MHz |
2x |
2 & 3 |
1 & 2 |
Open |
Open |
|
Note: Pins designated should be in the closed position. | ||||||
|
CPU SPEED SELECTION (CX 6X86MX) | ||||||
|
CPU speed |
Clock speed |
Multiplier |
JP4 |
JP5 |
JP6 |
JP7 |
|
166MHz |
60MHz |
2.5x |
2 & 3 |
2 & 3 |
Closed |
Open |
|
166MHz |
66MHz |
2x |
2 & 3 |
1 & 2 |
Open |
Open |
|
200MHz |
66MHz |
2.5x |
2 & 3 |
2 & 3 |
Open |
Open |
|
Note: Pins designated should be in the closed position. | ||||||
|
CPU SPEED SELECTION (AM K5) | ||||||
|
CPU speed |
Clock speed |
Multiplier |
JP4 |
JP5 |
JP6 |
JP7 |
|
90MHz |
60MHz |
1.5x |
1 & 2 |
1 & 2 |
Closed |
Open |
|
100MHz |
66MHz |
1.5x |
1 & 2 |
1 & 2 |
Open |
Open |
|
120MHz |
60MHz |
1.5x |
1 & 2 |
1 & 2 |
Closed |
Open |
|
133MHz |
66MHz |
1.5x |
1 & 2 |
1 & 2 |
Open |
Open |
|
150MHz |
60MHz |
2.5x |
2 & 3 |
2 & 3 |
Closed |
Open |
|
166MHz |
66MHz |
2.5x |
2 & 3 |
2 & 3 |
Open |
Open |
|
Note: Pins designated should be in the closed position. | ||||||
|
CPU SPEED SELECTION (AM K6) | ||||||
|
CPU speed |
Clock speed |
Multiplier |
JP4 |
JP5 |
JP6 |
JP7 |
|
166MHz |
66MHz |
2.5x |
2 & 3 |
2 & 3 |
Open |
Open |
|
200MHz |
66MHz |
3x |
1 & 2 |
2 & 3 |
Open |
Open |
|
233MHz |
66MHz |
3.5x |
1 & 2 |
1 & 2 |
Open |
Open |
|
Note: Pins designated should be in the closed position. | ||||||
|
CPU SPEED SELECTION (INTEL) | ||||||
|
CPU speed |
Clock speed |
Multiplier |
JP4 |
JP5 |
JP6 |
JP7 |
|
90MHz |
60MHz |
1.5x |
1 & 2 |
1 & 2 |
Closed |
Open |
|
100MHz |
66MHz |
1.5x |
1 & 2 |
1 & 2 |
Open |
Open |
|
120MHz |
60MHz |
2x |
2 & 3 |
1 & 2 |
Closed |
Open |
|
133MHz |
66MHz |
2x |
2 & 3 |
1 & 2 |
Open |
Open |
|
150MHz |
60MHz |
2.5x |
2 & 3 |
2 & 3 |
Closed |
Open |
|
166MHz |
66MHz |
2.5x |
2 & 3 |
2 & 3 |
Open |
Open |
|
200MHz |
66MHz |
3x |
1 & 2 |
2 & 3 |
Open |
Open |
|
Note: Pins designated should be in the closed position. | ||||||
|
CPU SPEED SELECTION (INTEL MMX) | ||||||
|
CPU speed |
Clock speed |
Multiplier |
JP4 |
JP5 |
JP6 |
JP7 |
|
166MHz |
66MHz |
2.5x |
2 & 3 |
2 & 3 |
Open |
Open |
|
200MHz |
66MHz |
3x |
1 & 2 |
2 & 3 |
Open |
Open |
|
233MHz |
66MHz |
3.5x |
1 & 2 |
1 & 2 |
Open |
Open |
|
Note: Pins designated should be in the closed position. | ||||||
|
CPU VOLTAGE SELECTION | |||||
|
Voltage |
JP1 |
JP12 |
JP13 |
JP14 |
JP15 |
|
2.0v |
* |
1 & 2 |
1 & 2 |
1 & 2 |
1 & 2 |
|
2.5v |
* |
2 & 3 |
1 & 2 |
2 & 3 |
1 & 2 |
|
2.8v |
3 & 5, 4 & 6 |
1 & 2 |
1 & 2 |
1 & 2 |
2 & 3 |
|
2.9v |
3 & 5, 4 & 6 |
2 & 3 |
1 & 2 |
1 & 2 |
2 & 3 |
|
3.2v |
3 & 5, 4 & 6 |
1 & 2 |
1 & 2 |
2 & 3 |
2 & 3 |
|
3.3v |
1 & 3, 2 & 4 |
2 & 3 |
1 & 2 |
2 & 3 |
2 & 3 |
|
3.4v |
* |
1 & 2 |
2 & 3 |
2 & 3 |
2 & 3 |
|
3.52v |
1 & 3, 2 & 4 |
2 & 3 |
2 & 3 |
2 & 3 |
2 & 3 |
|
Note: Pins designated should be in the closed position. * = Reserved for future CPUs. | |||||