FIRST INTERNATIONAL COMPUTER, INC.
486-POS
|
Device Type |
Mainboard |
|
Processor |
80486SX/U5S/U5SD/U5SLV/CX 486DX/80486DX/CX 486DX2/ AM486DX2/80486DX2/CX 486DX4/TI486DX4/AM486DX4/80486DX4/ P24D/P24S/P24T/CX 5X85/CX M1SC/AM X5 |
|
Processor Speed |
25/33/40/50(internal)/50/66(internal)/75(internal)/80(internal)/ 100(internal)/120(internal)/133(internal)MHz |
|
Chip Set |
VIA |
|
Video Chip Set |
Unidentified |
|
Maximum Onboard Memory |
64MB |
|
Maximum Video Memory |
1MB |
|
Cache |
None |
|
BIOS |
Unidentified |
|
Dimensions |
254mm x 218mm |
|
I/O Options |
Ethernet BNC connector, Ethernet RJ-45 connector, floppy drive interface, IDE interface, parallel port, PS/2 mouse port, serial port, VGA interface |
|
NPU Options |
None |

|
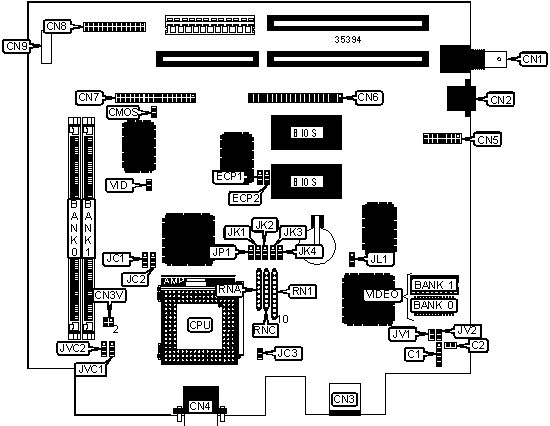
CONNECTIONS |
|||
|
Purpose |
Location |
Purpose |
Location |
|
Power LED & keylock |
C1 |
VGA interface |
CN5 |
|
Reset switch |
C2 |
IDE interface |
CN6 |
|
Ethernet BNC connector |
CN1 |
Floppy drive interface |
CN7 |
|
Ethernet RJ-45 connector |
CN2 |
Parallel port |
CN8 |
|
PS/2 mouse port |
CN3 |
Keyboard connector |
CN9 |
|
Serial port 1 |
CN4 |
|
|
|
USER CONFIGURABLE SETTINGS |
|||
|
Function |
Label |
Position |
|
|
» |
CMOS memory normal operation |
CMOS |
Closed |
|
|
CMOS memory clear |
CMOS |
Open |
|
» |
On board LAN enabled |
JL1 |
Pins 1 & 2 closed |
|
|
On board LAN disabled |
JL1 |
Pins 2 & 3 closed |
|
|
On board chipset select CG version |
JP1 |
Pins 2 & 3 closed |
|
|
On board chipset select all others |
JP1 |
Pins 1 & 2 closed |
|
» |
On board video enabled |
JV1 |
Pins 2 & 3 closed |
|
|
On board video disabled |
JV1 |
Pins 1 & 2 closed |
|
» |
Factory configured - do not alter |
JV2 |
Unidentified |
|
» |
Monitor type select monochrome/EGA/VGA |
VID |
Open |
|
|
Monitor type select color |
VID |
Closed |
|
SIMM CONFIGURATION |
||
|
Size |
Bank 0 |
Bank 1 |
|
4MB |
(1) 1M x 36 |
None |
|
8MB |
(1) 2M x 36 |
None |
|
8MB |
(1) 1M x 36 |
(1) 1M x 36 |
|
12MB |
(1) 1M x 36 |
(1) 2M x 36 |
|
16MB |
(1) 4M x 36 |
None |
|
16MB |
(1) 2M x 36 |
(1) 2M x 36 |
|
20MB |
(1) 4M x 36 |
(1) 1M x 36 |
|
24MB |
(1) 2M x 36 |
(1) 4M x 36 |
|
32MB |
(1) 8M x 36 |
None |
|
32MB |
(1) 4M x 36 |
(1) 4M x 36 |
|
36MB |
(1) 1M x 36 |
(1) 8M x 36 |
|
40MB |
(1) 2M x 36 |
(1) 8M x 36 |
|
48MB |
(1) 4M x 36 |
(1) 8M x 36 |
|
64MB |
(1) 8M x 36 |
(1) 8M x 36 |
|
VIDEO MEMORY CONFIGURATION |
||
|
Size |
Bank 0 |
Bank 1 |
|
512KB |
(1) 256K x 16 |
None |
|
1MB |
(1) 256K x 16 |
(1) 256K x 16 |
|
CPU TYPE SELECTION |
|||
|
Type |
JC1 |
JC2 |
JC3 |
|
80486SX |
Pins 2 & 3 closed |
Pins 2 & 3 closed |
Open |
|
U5S |
Pins 2 & 3 closed |
Pins 2 & 3 closed |
Open |
|
U5SD |
Pins 1 & 2 closed |
Pins 1 & 2 closed |
Open |
|
U5SLV |
Pins 2 & 3 closed |
Pins 2 & 3 closed |
Open |
|
CX 486DX |
Pins 1 & 2 closed |
Pins 1 & 2 closed |
Open |
|
80486DX |
Pins 1 & 2 closed |
Pins 1 & 2 closed |
Open |
|
CX 486DX2 |
Pins 1 & 2 closed |
Pins 1 & 2 closed |
Open |
|
AM486DX2-80 |
Pins 1 & 2 closed |
Pins 1 & 2 closed |
Open |
|
AM486DX2 |
Pins 1 & 2 closed |
Pins 1 & 2 closed |
Open |
|
80486DX2 |
Pins 1 & 2 closed |
Pins 1 & 2 closed |
Open |
|
CX 486DX4 |
Pins 1 & 2 closed |
Pins 1 & 2 closed |
Open |
|
TI486DX4 |
Pins 1 & 2 closed |
Pins 1 & 2 closed |
Open |
|
AM486DX4 |
Pins 1 & 2 closed |
Pins 1 & 2 closed |
Open |
|
(SL) AM486DX4 |
Pins 1 & 2 closed |
Pins 1 & 2 closed |
Open |
|
80486DX4 (3x) |
Pins 1 & 2 closed |
Pins 1 & 2 closed |
Open |
|
80486DX4 |
Pins 1 & 2 closed |
Pins 1 & 2 closed |
Open |
|
P24D |
Pins 1 & 2 closed |
Pins 1 & 2 closed |
Open |
|
P24S |
Pins 1 & 2 closed |
Pins 1 & 2 closed |
Open |
|
P24T |
Pins 1 & 2 closed |
Pins 1 & 2 closed |
Closed |
|
CX 5X85 |
Pins 1 & 2 closed |
Pins 1 & 2 closed |
Open |
|
CX M1SC |
Pins 1 & 2 closed |
Pins 1 & 2 closed |
Open |
|
AM X5 |
Pins 1 & 2 closed |
Pins 1 & 2 closed |
Open |
|
CPU TYPE SELECTION (CON'T) |
|||
|
Type |
RNA |
RNC |
RN1 |
|
80486SX |
Not installed |
Not installed |
Pins 1 - 8 closed |
|
U5S |
Pins 1 - 8 closed |
Not installed |
Not installed |
|
U5SD |
Pins 1 - 8 closed |
Not installed |
Not installed |
|
U5SLV |
Pins 1 - 8 closed |
Not installed |
Not installed |
|
CX 486DX |
Not installed |
Pins 1 - 8 closed |
Not installed |
|
80486DX |
Not installed |
Not installed |
Pins 1 - 8 closed |
|
CX 486DX2 |
Not installed |
Pins 1 - 8 closed |
Not installed |
|
AM486DX2-80 |
Not installed |
* |
* |
|
AM486DX2 |
Installed |
Not installed |
Not installed |
|
80486DX2 |
Not installed |
Not installed |
Pins 1 - 8 closed |
|
CX 486DX4 |
Not installed |
Not installed |
Pins 1 - 8 closed |
|
TI486DX4 |
Not installed |
Not installed |
Pins 1 - 8 closed |
|
AM486DX4 |
Installed |
Not installed |
Not installed |
|
(SL) AM486DX4 |
Not installed |
Not installed |
Pins 1 - 8 closed |
|
80486DX4 (3x) |
Not installed |
Not installed |
Pins 1 - 8 closed |
|
80486DX4 |
Not installed |
Not installed |
Pins 1 - 8 closed |
|
P24D |
Not installed |
Not installed |
Pins 1 - 8 closed |
|
P24S |
Not installed |
Not installed |
Pins 1 - 8 closed |
|
P24T |
Not installed |
Not installed |
Pins 1 - 8 closed |
|
CX 5X85 |
Not installed |
Not installed |
Pins 1 - 8 closed |
|
CX M1SC |
Not installed |
Not installed |
Pins 2 - 10 closed |
|
AM X5 |
Not installed |
* |
* |
|
Note: * = Connect pin 2 on RN1 to pin 5 on RNC |
|||
|
CPU SPEED SELECTION |
||||
|
Speed |
JK1 |
JK2 |
JK3 |
JK4 |
|
25MHz |
Pins 2 & 3 closed |
Pins 1 & 2 closed |
Pins 2 & 3 closed |
Pins 1 & 2 closed |
|
33MHz |
Pins 2 & 3 closed |
Pins 2 & 3 closed |
Pins 1 & 2 closed |
Pins 1 & 2 closed |
|
40MHz |
Pins 1 & 2 closed |
Pins 1 & 2 closed |
Pins 2 & 3 closed |
Pins 1 & 2 closed |
|
50iMHz |
Pins 2 & 3 closed |
Pins 1 & 2 closed |
Pins 2 & 3 closed |
Pins 1 & 2 closed |
|
50MHz |
Pins 2 & 3 closed |
Pins 1 & 2 closed |
Pins 2 & 3 closed |
Pins 2 & 3 closed |
|
66iMHz |
Pins 2 & 3 closed |
Pins 2 & 3 closed |
Pins 1 & 2 closed |
Pins 1 & 2 closed |
|
75iMHz |
Pins 2 & 3 closed |
Pins 1 & 2 closed |
Pins 2 & 3 closed |
Pins 1 & 2 closed |
|
80iMHz |
Pins 1 & 2 closed |
Pins 1 & 2 closed |
Pins 2 & 3 closed |
Pins 1 & 2 closed |
|
100iMHz |
Pins 2 & 3 closed |
Pins 2 & 3 closed |
Pins 1 & 2 closed |
Pins 1 & 2 closed |
|
120iMHz |
Pins 1 & 2 closed |
Pins 1 & 2 closed |
Pins 2 & 3 closed |
Pins 1 & 2 closed |
|
133iMHz |
Pins 2 & 3 closed |
Pins 2 & 3 closed |
Pins 1 & 2 closed |
Pins 1 & 2 closed |
|
CPU LOW VOLTAGE SELECTION |
||
|
Voltage |
JVC1 |
JVC2 |
|
3.3v |
Pins 1 & 2 closed |
Open |
|
3.45v |
Pins 2 & 3 closed |
Open |
|
3.59v |
Open |
Pins 1 & 2 closed |
|
4v |
Open |
Pins 2 & 3 closed |
|
CPU VOLTAGE SELECTION |
|
|
Voltage |
CN3V |
|
3.3v |
Open |
|
3.46v |
Open |
|
3.59v |
Open |
|
4v |
Open |
|
5v |
Pins 1 & 2, 3 & 4 closed |
|
DMA CHANNEL SELECTION |
||
|
Channel |
ECP1 |
ECP2 |
|
» 1 |
Pins 1 & 2 closed |
Pins 1 & 2 closed |
|
3 |
Pins 2 & 3 closed |
Pins 2 & 3 closed |