GIGA-BYTE TECHNOLOGY CO., LTD.
GA-686LX3 (VER. 2.0)
|
Device Type |
Mainboard |
|
Processor |
Pentium II |
|
Processor Speed |
200/233/266/300/333/366MHz |
|
Chip Set |
Intel 440LX |
|
Maximum Onboard Memory |
768MB (EDO & SDRAM supported) |
|
Cache |
256/512KB (located on Pentium II CPU) |
|
BIOS |
Award |
|
Dimensions |
305mm x 180mm |
|
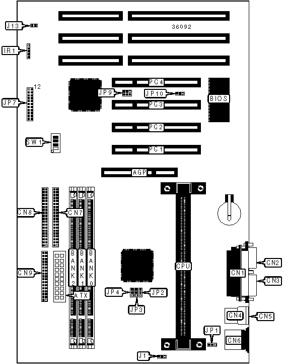
I/O Options |
32-bit PCI slots (4), floppy drive interface, green PC connector, IDE interfaces (2), parallel port, PS/2 mouse port, serial ports (2), IR connector, USB connectors (2), ATX power connector, AGP slot, SB-link connector, wake on LAN connector |
|
CONNECTIONS | |||
|
Purpose |
Location |
Purpose |
Location |
|
AGP slot |
AGP |
CPU fan power |
J1 |
|
ATX power connector |
ATX |
Green PC LED |
JP7/pins 1 & 12 |
|
Parallel port |
CN1 |
Reset switch |
JP7/pins 3 & 4 |
|
Serial port 1 |
CN2 |
Speaker |
JP7/pins 5 - 8 |
|
Serial port 2 |
CN3 |
IDE interface LED |
JP7/pins 9 & 20 |
|
USB connector 1 |
CN4 |
Green PC connector |
JP7/pins 11 & 22 |
|
USB connector 2 |
CN5 |
Soft off power supply |
JP7/pins 15 & 16 |
|
PS/2 mouse port |
CN6 |
Power LED |
JP7/pins 17 - 19 |
|
IDE interface 2 |
CN7 |
SB-link connector |
JP9 |
|
IDE interface 1 |
CN8 |
Wake on LAN connector |
JP10 |
|
Floppy drive interface |
CN9 |
32-bit PCI slots |
PC1 - PC4 |
|
IR connector |
IR1 | ||
|
USER CONFIGURABLE SETTINGS | |||
|
Function |
Label |
Position | |
|
ATX power supply select soft off |
J13 |
Open | |
|
ATX power supply select full on |
J13 |
Closed | |
|
» |
Keyboard power on disabled |
JP1 |
Pins 2 & 3 closed |
|
Keyboard power on enabled |
JP1 |
Pins 1 & 2 closed | |
|
DIMM CONFIGURATION | |||
|
Size |
Bank 0 |
Bank 1 |
Bank 2 |
|
8MB |
(1) 1M x 64 |
None |
None |
|
16MB |
(1) 2M x 64 |
None |
None |
|
16MB |
(1) 1M x 64 |
(1) 1M x 64 |
None |
|
24MB |
(1) 2M x 64 |
(1) 1M x 64 |
None |
|
24MB |
(1) 1M x 64 |
(1) 1M x 64 |
(1) 1M x 64 |
|
32MB |
(1) 4M x 64 |
None |
None |
|
32MB |
(1) 2M x 64 |
(1) 1M x 64 |
(1) 1M x 64 |
|
32MB |
(1) 2M x 64 |
(1) 2M x 64 |
None |
|
40MB |
(1) 4M x 64 |
(1) 1M x 64 |
None |
|
40MB |
(1) 2M x 64 |
(1) 2M x 64 |
(1) 1M x 64 |
|
48MB |
(1) 4M x 64 |
(1) 1M x 64 |
(1) 1M x 64 |
|
48MB |
(1) 4M x 64 |
(1) 2M x 64 |
None |
|
48MB |
(1) 2M x 64 |
(1) 2M x 64 |
(1) 2M x 64 |
|
56MB |
(1) 4M x 64 |
(1) 2M x 64 |
(1) 1M x 64 |
|
64MB |
(1) 8M x 64 |
None |
None |
|
64MB |
(1) 4M x 64 |
(1) 2M x 64 |
(1) 2M x 64 |
|
64MB |
(1) 4M x 64 |
(1) 4M x 64 |
None |
|
72MB |
(1) 8M x 64 |
(1) 1M x 64 |
None |
|
72MB |
(1) 4M x 64 |
(1) 4M x 64 |
(1) 1M x 64 |
|
80MB |
(1) 8M x 64 |
(1) 1M x 64 |
(1) 1M x 64 |
|
DIMM CONFIGURATION (CON'T) | |||
|
Size |
Bank 0 |
Bank 1 |
Bank 2 |
|
80MB |
(1) 8M x 64 |
(1) 2M x 64 |
None |
|
80MB |
(1) 4M x 64 |
(1) 4M x 64 |
(1) 2M x 64 |
|
88MB |
(1) 8M x 64 |
(1) 2M x 64 |
(1) 1M x 64 |
|
96MB |
(1) 8M x 64 |
(1) 2M x 64 |
(1) 2M x 64 |
|
96MB |
(1) 8M x 64 |
(1) 4M x 64 |
None |
|
96MB |
(1) 4M x 64 |
(1) 4M x 64 |
(1) 4M x 64 |
|
104MB |
(1) 8M x 64 |
(1) 4M x 64 |
(1) 1M x 64 |
|
112MB |
(1) 8M x 64 |
(1) 4M x 64 |
(1) 2M x 64 |
|
128MB |
(1) 16M x 64 |
None |
None |
|
128MB |
(1) 8M x 64 |
(1) 4M x 64 |
(1) 4M x 64 |
|
128MB |
(1) 8M x 64 |
(1) 8M x 64 |
None |
|
136MB |
(1) 16M x 64 |
(1) 1M x 64 |
None |
|
136MB |
(1) 8M x 64 |
(1) 8M x 64 |
(1) 1M x 64 |
|
144MB |
(1) 16M x 64 |
(1) 1M x 64 |
(1) 1M x 64 |
|
144MB |
(1) 16M x 64 |
(1) 2M x 64 |
None |
|
144MB |
(1) 8M x 64 |
(1) 8M x 64 |
(1) 2M x 64 |
|
152MB |
(1) 16M x 64 |
(1) 2M x 64 |
(1) 1M x 64 |
|
160MB |
(1) 16M x 64 |
(1) 2M x 64 |
(1) 2M x 64 |
|
168MB |
(1) 16M x 64 |
(1) 4M x 64 |
(1) 1M x 64 |
|
176MB |
(1) 16M x 64 |
(1) 4M x 64 |
(1) 2M x 64 |
|
192MB |
(1) 16M x 64 |
(1) 4M x 64 |
(1) 4M x 64 |
|
192MB |
(1) 16M x 64 |
(1) 8M x 64 |
None |
|
192MB |
(1) 8M x 64 |
(1) 8M x 64 |
(1) 8M x 64 |
|
256MB |
(1) 32M x 64 |
None |
None |
|
256MB |
(1) 16M x 64 |
(1) 8M x 64 |
(1) 8M x 64 |
|
264MB |
(1) 32M x 64 |
(1) 1M x 64 |
None |
|
272MB |
(1) 32M x 64 |
(1) 1M x 64 |
(1) 1M x 64 |
|
272MB |
(1) 32M x 64 |
(1) 2M x 64 |
None |
|
288MB |
(1) 32M x 64 |
(1) 2M x 64 |
(1) 2M x 64 |
|
288MB |
(1) 32M x 64 |
(1) 4M x 64 |
None |
|
320MB |
(1) 32M x 64 |
(1) 4M x 64 |
(1) 4M x 64 |
|
320MB |
(1) 32M x 64 |
(1) 8M x 64 |
None |
|
384MB |
(1) 32M x 64 |
(1) 8M x 64 |
(1) 8M x 64 |
|
384MB |
(1) 32M x 64 |
(1) 16M x 64 |
None |
|
384MB |
(1) 16M x 64 |
(1) 16M x 64 |
(1) 16M x 64 |
|
512MB |
(1) 32M x 64 |
(1) 16M x 64 |
(1) 16M x 64 |
|
512MB |
(1) 32M x 64 |
(1) 32M x 64 |
None |
|
768MB |
(1) 32M x 64 |
(1) 32M x 64 |
(1) 32M x 64 |
|
Note: Board accepts EDO & SDRAM memory. Maximum SDRAM is 384MB. Maximum EDO is 768MB. | |||
|
CACHE CONFIGURATION |
|
Note: 256KB/512KB cache is located on the Pentium II CPU. |
|
CPU SPEED SELECTION | |||||
|
CPU speed |
Clock speed |
Multiplier |
JP2 |
JP3 |
JP4 |
|
200MHz |
66MHz |
3x |
1 & 2 |
1 & 2 |
1 & 2 |
|
233MHz |
66MHz |
3.5x |
1 & 2 |
1 & 2 |
1 & 2 |
|
266MHz |
66MHz |
4x |
1 & 2 |
1 & 2 |
1 & 2 |
|
300MHz |
66MHz |
4.5x |
1 & 2 |
1 & 2 |
1 & 2 |
|
333MHz |
66MHz |
5x |
1 & 2 |
1 & 2 |
1 & 2 |
|
366MHz |
66MHz |
5.5x |
1 & 2 |
1 & 2 |
1 & 2 |
|
Note: Pins designated should be in the closed position. | |||||
|
CPU SPEED SELECTION (CON'T) | ||||||
|
CPU speed |
Clock speed |
Multiplier |
SW1/1 |
SW1/2 |
SW1/3 |
SW1/4 |
|
200MHz |
66MHz |
3x |
On |
Off |
On |
On |
|
233MHz |
66MHz |
3.5x |
Off |
Off |
On |
On |
|
266MHz |
66MHz |
4x |
On |
On |
Off |
On |
|
300MHz |
66MHz |
4.5x |
Off |
On |
Off |
On |
|
333MHz |
66MHz |
5x |
On |
Off |
Off |
On |
|
366MHz |
66MHz |
5.5x |
Off |
Off |
Off |
On |