LUCKY STAR TECHNOLOGY CO., LTD.

6EX2

Device Type

Mainboard

Processor

Pentium II/Celeron

Processor Speed

233/266/300/333MHz

Chip Set

Intel 440EX

Video Chip Set

None

Maximum Onboard Memory

512MB (EDO & SDRAM supported)

Maximum Video Memory

None

Cache

0/128/512KB (located on the CPU)

BIOS

Award

Dimensions

220mm x 220mm

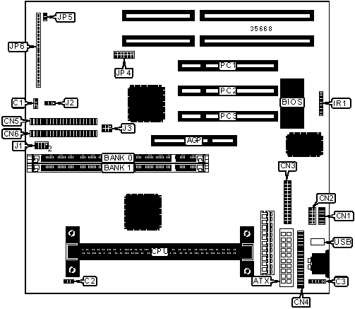
I/O Options

32-bit PCI slots (3), floppy drive interface, green PC connector, IDE interfaces (2), parallel port, PS/2 mouse interface, serial ports (2), IR connector, USB connector, ATX power connector, AGP slot

CONNECTIONS

Purpose

Location

Purpose

Location

AGP slot

AGP

IR connector

IR1

ATX power connector

ATX

Soft off power supply

JP5

CPU fan power

C1

Power LED & keylock

JP6/pins 1 – 5

CPU fan power

C2

Speaker

JP6/pins 7 – 10

PS/2 mouse interface

C3

Reset switch

JP6/pins 12 & 13

Serial port 2

CN1

IDE interface LED

JP6/pins 15 & 16

Serial port 1

CN2

Turbo LED

JP6/pins 18 & 19

Parallel port

CN3

Green PC connector

JP6/pins 21 & 22

Floppy drive interface

CN4

32-bit PCI slots

PC1 – PC3

IDE interface 1

CN5

USB connector

USB

IDE interface 2

CN6

   

USER CONFIGURABLE SETTINGS

Function

Label

Position

»

CMOS memory normal operation

J2

Pins 1 & 2 closed

 

CMOS memory clear

J2

Pins 2 & 3 closed

»

Factory configured - do not alter

JP4

Unidentified

DIMM CONFIGURATION

Size

Bank 0

Bank 1

8MB

(1) 1M x 64

None

16MB

(1) 2M x 64

None

16MB

(1) 1M x 64

(1) 1M x 64

24MB

(1) 2M x 64

(1) 1M x 64

32MB

(1) 4M x 64

None

32MB

(1) 2M x 64

(1) 2M x 64

40MB

(1) 4M x 64

(1) 1M x 64

48MB

(1) 4M x 64

(1) 2M x 64

64MB

(1) 8M x 64

None

64MB

(1) 4M x 64

(1) 4M x 64

72MB

(1) 8M x 64

(1) 1M x 64

80MB

(1) 8M x 64

(1) 2M x 64

96MB

(1) 8M x 64

(1) 4M x 64

128MB

(1) 16M x 64

None

DIMM CONFIGURATION (CON’T)

Size

Bank 0

Bank 1

128MB

(1) 8M x 64

(1) 8M x 64

136MB

(1) 16M x 64

(1) 1M x 64

144MB

(1) 16M x 64

(1) 2M x 64

160MB

(1) 16M x 64

(1) 4M x 64

192MB

(1) 16M x 64

(1) 8M x 64

256MB

(1) 16M x 64

(1) 16M x 64

Note: Board accepts EDO & SDRAM memory. Maximum SDRAM is 256MB. Maximum 512EDO is MB.

DIMM VOLTAGE CONFIGURATION

Voltage

J1

3.3v

Pins 1 & 2, 3 & 4 closed

5v

Pins 5 & 6, 7 & 8 closed

CACHE CONFIGURATION

Note: 512KB cache is located on the Pentium II CPU. 128KB cache is located in the Celeron 300A & 333 CPU.