LUCKY STAR TECHNOLOGY CO., LTD.

5AVP3

Device Type

Mainboard

Processor

CX 6X86L/CX 686MX/CX M1/CX MII/AM K5/AM K6/Pentium/

Pentium MMX

Processor Speed

75/90/100/120/133/150/166/200/233/266/300MHz

Chip Set

VIA VP3

Maximum Onboard Memory

512MB (EDO supported)

Cache

512KB

BIOS

Award

Dimensions

305mm x 200mm

I/O Options

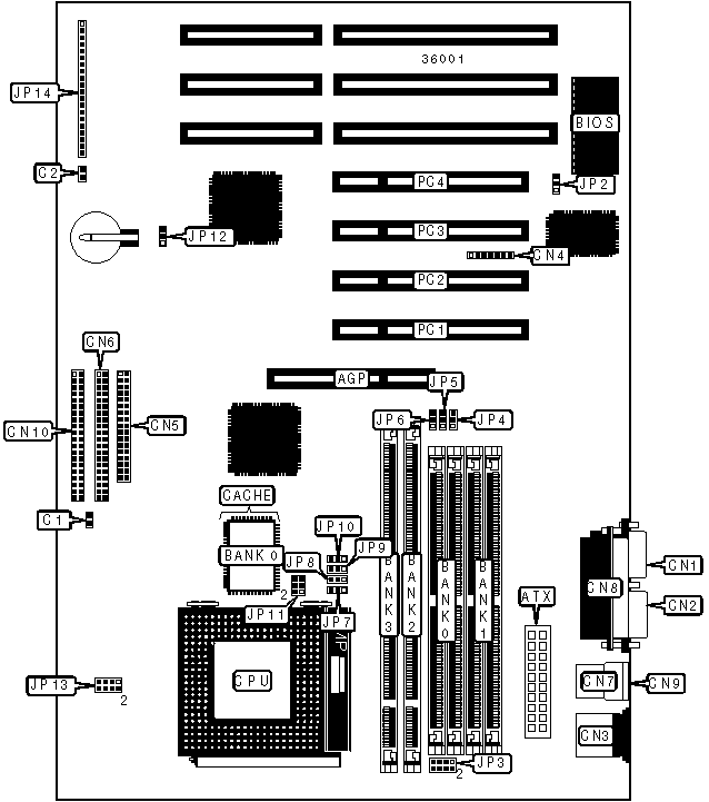
32-bit PCI slots (4), floppy drive interface, green PC connector, IDE interfaces (2), parallel port, PS/2 mouse port, serial ports (2), IR connector, USB connectors (2), ATX power connector, AGP slot

CONNECTIONS

Purpose

Location

Purpose

Location

AGP slot

AGP

Parallel port

CN8

ATX power connector

ATX

USB connector 2

CN9

Chassis fan power

C1

IDE interface 2

CN10

Turbo LED

C2

Power LED & keylock

JP14/pins 1 – 5

Serial port 2

CN1

Speaker

JP14/pins 7 – 10

Serial port 1

CN2

Reset switch

JP14/pins 12 & 13

PS/2 mouse port

CN3

Green PC LED

JP14/pins 15 & 16

IR connector

CN4

Green PC connector

JP14/pins 17 – 19

Floppy drive interface

CN5

IDE interface LED

JP14/pins 21 & 22

IDE interface 1

CN6

32-bit PCI slots

PC1 – PC4

USB connector 1

CN7

   

USER CONFIGURABLE SETTINGS

Function

Label

Position

 

Flash BIOS voltage select 12v

JP2

Pins 2 & 3 closed

 

Flash BIOS voltage select 5v

JP2

Pins 1 & 2 closed

»

CMOS memory normal operation

JP12

Pins 1 & 2 closed

 

CMOS memory clear

JP12

Pins 2 & 3 closed

SIMM CONFIGURATION

Size

Bank 0

Bank 1

8MB

(2) 1M x 36

None

16MB

(2) 2M x 36

None

16MB

(2) 1M x 36

(2) 1M x 36

24MB

(2) 2M x 36

(2) 1M x 36

32MB

(2) 4M x 36

None

32MB

(2) 2M x 36

(2) 2M x 36

40MB

(2) 4M x 36

(2) 1M x 36

48MB

(2) 4M x 36

(2) 2M x 36

64MB

(2) 8M x 36

None

64MB

(2) 4M x 36

(2) 4M x 36

72MB

(2) 8M x 36

(2) 1M x 36

80MB

(2) 8M x 36

(2) 2M x 36

96MB

(2) 8M x 36

(2) 4M x 36

128MB

(2) 8M x 36

(2) 8M x 36

128MB

(2) 16M x 36

None

136MB

(2) 16M x 36

(2) 1M x 36

144MB

(2) 16M x 36

(2) 2M x 36

160MB

(2) 16M x 36

(2) 4M x 36

192MB

(2) 16M x 36

(2) 8M x 36

256MB

(2) 16M x 36

(2) 16M x 36

Note: Board accepts EDO memory.

DIMM CONFIGURATION

Size

Bank 2

Bank 3

8MB

(1) 1M x 64

None

16MB

(1) 2M x 64

None

16MB

(1) 1M x 64

(1) 1M x 64

24MB

(1) 2M x 64

(1) 1M x 64

32MB

(1) 4M x 64

None

32MB

(1) 2M x 64

(1) 2M x 64

40MB

(1) 4M x 64

(1) 1M x 64

48MB

(1) 4M x 64

(1) 2M x 64

64MB

(1) 8M x 64

None

64MB

(1) 4M x 64

(1) 4M x 64

72MB

(1) 8M x 64

(1) 1M x 64

80MB

(1) 8M x 64

(1) 2M x 64

96MB

(1) 8M x 64

(1) 4M x 64

128MB

(1) 16M x 64

None

128MB

(1) 8M x 64

(1) 8M x 64

136MB

(1) 16M x 64

(1) 1M x 64

144MB

(1) 16M x 64

(1) 2M x 64

160MB

(1) 16M x 64

(1) 4M x 64

192MB

(1) 16M x 64

(1) 8M x 64

256MB

(1) 16M x 64

(1) 16M x 64

DIMM VOLTAGE CONFIGURATION

Voltage

JP3

3.3v

Pins 5 & 6, 7 & 8 closed

5v

Pins 1 & 2, 3 & 4 closed

CACHE CONFIGURATION

Size

Bank 0

512KB

(1) 64K x 64

CPU SPEED SELECTION (CX 6X86L)

CPU speed

Clock speed

Multiplier

JP4

JP5

JP6

JP7

150MHz

60MHz

2x

2 & 3

1 & 2

1 & 2

2 & 3

166MHz

66MHz

2x

1 & 2

1 & 2

1 & 2

2 & 3

200MHz

75MHz

2x

1 & 2

2 & 3

1 & 2

2 & 3

Note: Pins designated should be in the closed position.

CPU SPEED SELECTION (CX 6X86L, CON’T)

CPU speed

Clock speed

Multiplier

JP8

JP9

JP10

JP11

150MHz

60MHz

2x

1 & 2

1 & 2

2 & 3

1 & 2, 3 & 4, 5 & 6

166MHz

66MHz

2x

1 & 2

1 & 2

2 & 3

1 & 2, 3 & 4, 5 & 6

200MHz

75MHz

2x

1 & 2

1 & 2

2 & 3

1 & 2, 3 & 4, 5 & 6

Note: Pins designated should be in the closed position.

CPU SPEED SELECTION (CX 6X86MX)

CPU speed

Clock speed

Multiplier

JP4

JP5

JP6

JP7

166MHz

66MHz

2x

1 & 2

1 & 2

1 & 2

2 & 3

166MHz

60MHz

2.5x

2 & 3

1 & 2

1 & 2

2 & 3

200MHz

66MHz

2.5x

1 & 2

1 & 2

1 & 2

2 & 3

200MHz

75MHz

2x

1 & 2

2 & 3

1 & 2

2 & 3

233MHz

75MHz

2.5x

1 & 2

2 & 3

1 & 2

2 & 3

Note: Pins designated should be in the closed position.

CPU SPEED SELECTION (CX 6X86MX, CON’T)

CPU speed

Clock speed

Multiplier

JP8

JP9

JP10

JP11

166MHz

66MHz

2x

1 & 2

1 & 2

2 & 3

1 & 2, 3 & 4, 5 & 6

166MHz

60MHz

2.5x

2 & 3

1 & 2

2 & 3

1 & 2, 3 & 4, 5 & 6

200MHz

66MHz

2.5x

2 & 3

1 & 2

2 & 3

1 & 2, 3 & 4, 5 & 6

200MHz

75MHz

2x

1 & 2

1 & 2

2 & 3

1 & 2, 3 & 4, 5 & 6

233MHz

75MHz

2.5x

2 & 3

1 & 2

2 & 3

1 & 2, 3 & 4, 5 & 6

Note: Pins designated should be in the closed position.

CPU SPEED SELECTION (CX M1)

CPU speed

Clock speed

Multiplier

JP4

JP5

JP6

JP7

120MHz

50MHz

2x

2 & 3

2 & 3

2 & 3

2 & 3

150MHz

60MHz

2x

2 & 3

1 & 2

1 & 2

2 & 3

166MHz

66MHz

2x

1 & 2

1 & 2

1 & 2

2 & 3

Note: Pins designated should be in the closed position.

CPU SPEED SELECTION (CX M1, CON’T)

CPU speed

Clock speed

Multiplier

JP8

JP9

JP10

JP11

120MHz

50MHz

2x

1 & 2

1 & 2

2 & 3

Open

150MHz

60MHz

2x

1 & 2

1 & 2

2 & 3

Open

166MHz

66MHz

2x

1 & 2

1 & 2

2 & 3

Open

Note: Pins designated should be in the closed position.

CPU SPEED SELECTION (CX MII)

CPU speed

Clock speed

Multiplier

JP4

JP5

JP6

JP7

300MHz

66MHz

3.5x

1 & 2

1 & 2

1 & 2

1 & 2

Note: Pins designated should be in the closed position.

CPU SPEED SELECTION (CX MII, CON’T)

CPU speed

Clock speed

Multiplier

JP8

JP9

JP10

JP11

300MHz

66MHz

3.5x

1 & 2

1 & 2

2 & 3

1 & 2, 3 & 4, 5 & 6

Note: Pins designated should be in the closed position.

CPU SPEED SELECTION (AM K5)

CPU speed

Clock speed

Multiplier

JP4

JP5

JP6

JP7

75MHz

50MHz

1.5x

2 & 3

2 & 3

2 & 3

1 & 2

90MHz

60MHz

1.5x

2 & 3

1 & 2

1 & 2

1 & 2

100MHz

66MHz

1.5x

1 & 2

1 & 2

1 & 2

1 & 2

120MHz

60MHz

1.5x

2 & 3

1 & 2

1 & 2

1 & 2

133MHz

66MHz

1.5x

1 & 2

1 & 2

1 & 2

1 & 2

166MHz

66MHz

2.5x

1 & 2

1 & 2

1 & 2

2 & 3

Note: Pins designated should be in the closed position.

CPU SPEED SELECTION (AM K5, CON’T)

CPU speed

Clock speed

Multiplier

JP8

JP9

JP10

JP11

75MHz

50MHz

1.5x

1 & 2

1 & 2

1 & 2

Open

90MHz

60MHz

1.5x

1 & 2

1 & 2

1 & 2

Open

100MHz

66MHz

1.5x

1 & 2

1 & 2

1 & 2

Open

120MHz

60MHz

1.5x

1 & 2

1 & 2

1 & 2

Open

133MHz

66MHz

1.5x

1 & 2

1 & 2

1 & 2

Open

166MHz

66MHz

2.5x

2 & 3

1 & 2

1 & 2

Open

Note: Pins designated should be in the closed position.

CPU SPEED SELECTION (AM K6)

CPU speed

Clock speed

Multiplier

JP4

JP5

JP6

JP7

166MHz

66MHz

2.5x

1 & 2

1 & 2

1 & 2

2 & 3

200MHz

66MHz

3x

1 & 2

1 & 2

1 & 2

1 & 2

233MHz

66MHz

3.5x

1 & 2

1 & 2

1 & 2

1 & 2

266MHz

66MHz

4x

1 & 2

1 & 2

1 & 2

2 & 3

300MHz

66MHz

4.5x

1 & 2

1 & 2

1 & 2

2 & 3

Note: Pins designated should be in the closed position.

CPU SPEED SELECTION (AM K6, CON’T)

CPU speed

Clock speed

Multiplier

JP8

JP9

JP10

JP11

166MHz

66MHz

2.5x

2 & 3

1 & 2

1 & 2

1 & 2, 3 & 4, 5 & 6

200MHz

66MHz

3x

2 & 3

1 & 2

1 & 2

1 & 2, 3 & 4, 5 & 6

233MHz

66MHz

3.5x

1 & 2

1 & 2

1 & 2

1 & 2, 3 & 4, 5 & 6

266MHz

66MHz

4x

1 & 2

2 & 3

1 & 2

1 & 2, 3 & 4, 5 & 6

300MHz

66MHz

4.5x

2 & 3

2 & 3

1 & 2

1 & 2, 3 & 4, 5 & 6

Note: Pins designated should be in the closed position.

CPU SPEED SELECTION (INTEL)

CPU speed

Clock speed

Multiplier

JP4

JP5

JP6

JP7

75MHz

50MHz

1.5x

2 & 3

2 & 3

2 & 3

1 & 2

90MHz

60MHz

1.5x

2 & 3

1 & 2

1 & 2

1 & 2

100MHz

66MHz

1.5x

1 & 2

1 & 2

1 & 2

1 & 2

120MHz

60MHz

2x

2 & 3

1 & 2

1 & 2

2 & 3

133MHz

66MHz

2x

1 & 2

1 & 2

1 & 2

2 & 3

150MHz

60MHz

2.5x

2 & 3

1 & 2

1 & 2

2 & 3

166MHz

66MHz

2.5x

1 & 2

1 & 2

1 & 2

2 & 3

200MHz

66MHz

3x

1 & 2

1 & 2

1 & 2

1 & 2

Note: Pins designated should be in the closed position.

CPU SPEED SELECTION (INTEL, CON’T)

CPU speed

Clock speed

Multiplier

JP8

JP9

JP10

JP11

75MHz

50MHz

1.5x

1 & 2

1 & 2

1 & 2

Open

90MHz

60MHz

1.5x

1 & 2

1 & 2

1 & 2

Open

100MHz

66MHz

1.5x

1 & 2

1 & 2

1 & 2

Open

120MHz

60MHz

2x

1 & 2

1 & 2

1 & 2

Open

133MHz

66MHz

2x

1 & 2

1 & 2

1 & 2

Open

150MHz

60MHz

2.5x

2 & 3

1 & 2

1 & 2

Open

166MHz

66MHz

2.5x

2 & 3

1 & 2

1 & 2

Open

200MHz

66MHz

3x

2 & 3

1 & 2

1 & 2

Open

Note: Pins designated should be in the closed position.

CPU SPEED SELECTION (INTEL MMX)

CPU speed

Clock speed

Multiplier

JP4

JP5

JP6

JP7

166MHz

66MHz

2.5x

1 & 2

1 & 2

1 & 2

2 & 3

200MHz

66MHz

3x

1 & 2

1 & 2

1 & 2

1 & 2

233MHz

66MHz

3.5x

1 & 2

1 & 2

1 & 2

1 & 2

Note: Pins designated should be in the closed position.

CPU SPEED SELECTION (INTEL MMX, CON’T)

CPU speed

Clock speed

Multiplier

JP8

JP9

JP10

JP11

166MHz

66MHz

2.5x

2 & 3

1 & 2

1 & 2

1 & 2, 3 & 4, 5 & 6

200MHz

66MHz

3x

2 & 3

1 & 2

1 & 2

1 & 2, 3 & 4, 5 & 6

233MHz

66MHz

3.5x

1 & 2

1 & 2

1 & 2

1 & 2, 3 & 4, 5 & 6

Note: Pins designated should be in the closed position.

CPU VOLTAGE SELECTION

Voltage

JP13

2.1v

Pins 1 & 2 closed

2.2v

Pins 3 & 4 closed

2.7v

Pins 1 & 2, 3 & 4, 5 & 6 closed

2.8v

Pins 7 & 8 closed

2.9v

Pins 1 & 2, 7 & 8 closed

3.2v

Pins 5 & 6, 7 & 8 closed

3.3v

Pins 1 & 2, 5 & 6, 7 & 8 closed

3.5v

Pins 1 & 2, 3 & 4, 5 & 6, 7 & 8 closed