MICRO-STAR INTERNATIONAL CO., LTD.

MS-6110

Device Type

Mainboard

Processor

Pentium II

Processor Speed

233/266MHz

Chip Set

Intel

Video Chip Set

None

Maximum Onboard Memory

1GB (EDO supported)

Maximum Video Memory

None

Cache

256/512KB (located on Pentium II CPU)

BIOS

Unidentified

Dimensions

300mm x 250mm

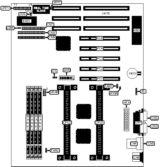
I/O Options

32-bit PCI slots (5), floppy drive interface, green PC connector, IDE interfaces (2), parallel port, PS/2 mouse port, serial ports (2), IR connector, USB connectors (2), ATX power connector

NPU Options

None

CONNECTIONS

Purpose

Location

Purpose

Location

ATX power connector

ATX

CPU fan power 2

FAN2

Parallel port

CN1

IR connector

IR

Serial port 2

CN2

Power LED & keylock

JFP1/pins 1 - 5

Serial port 1

CN3

Speaker

JFP1/pins 7 - 10

USB connector 1

CN4

Turbo LED

JFP1/pins 12 & 13

USB connector 2

CN5

Reset switch

JFP1/pins 19 & 20

PS/2 mouse port

CN6

IDE interface LED

JFP1/pins 22 & 24

Floppy drive interface

CN7

Green PC connector

JGS

IDE interface 2

CN8

Soft off power supply

JPWR

IDE interface 1

CN9

32-bit PCI slots

PC1 – PC5

CPU fan power 1

FAN1

   

USER CONFIGURABLE SETTINGS

Function

Label

Position

»

Factory configured - do not alter

C1

Unidentified

»

Flash BIOS voltage select 5v

J2M

Open

 

Flash BIOS voltage select 12v

J2M

Closed

»

CMOS memory normal operation

JRTC

Open

 

CMOS memory clear

JRTC

Closed

DIMM CONFIGURATION

Size

Bank 0

Bank 1

Bank 2

Bank 3

8MB

(1) 1M x 64

None

None

None

16MB

(1) 2M x 64

None

None

None

16MB

(1) 1M x 64

(1) 1M x 64

None

None

24MB

(1) 2M x 64

(1) 1M x 64

None

None

24MB

(1) 1M x 64

(1) 1M x 64

(1) 1M x 64

None

32MB

(1) 4M x 64

None

None

None

32MB

(1) 2M x 64

(1) 2M x 64

None

None

32MB

(1) 1M x 64

(1) 1M x 64

(1) 1M x 64

(1) 1M x 64

40MB

(1) 4M x 64

(1) 1M x 64

None

None

48MB

(1) 4M x 64

(1) 2M x 64

None

None

48MB

(1) 2M x 64

(1) 2M x 64

(1) 2M x 64

None

64MB

(1) 8M x 64

None

None

None

64MB

(1) 4M x 64

(1) 4M x 64

None

None

64MB

(1) 2M x 64

(1) 2M x 64

(1) 2M x 64

(1) 2M x 64

72MB

(1) 8M x 64

(1) 1M x 64

None

None

80MB

(1) 8M x 64

(1) 2M x 64

None

None

96MB

(1) 8M x 64

(1) 4M x 64

None

None

96MB

(1) 4M x 64

(1) 4M x 64

(1) 4M x 64

None

128MB

(1) 16M x 64

None

None

None

DIMM CONFIGURATION (CON’T)

Size

Bank 0

Bank 1

Bank 2

Bank 3

128MB

(1) 8M x 64

(1) 8M x 64

None

None

128MB

(1) 4M x 64

(1) 4M x 64

(1) 4M x 64

(1) 4M x 64

136MB

(1) 16M x 64

(1) 1M x 64

None

None

144MB

(1) 16M x 64

(1) 2M x 64

None

None

160MB

(1) 16M x 64

(1) 4M x 64

None

None

192MB

(1) 16M x 64

(1) 8M x 64

None

None

192MB

(1) 8M x 64

(1) 8M x 64

(1) 8M x 64

None

256MB

(1) 16M x 64

(1) 16M x 64

None

None

256MB

(1) 8M x 64

(1) 8M x 64

(1) 8M x 64

(1) 8M x 64

256MB

(1) 32M x 64

None

None

None

288MB

(1) 32M x 64

(1) 4M x 64

None

None

320MB

(1) 32M x 64

(1) 8M x 64

None

None

320MB

(1) 32M x 64

(1) 4M x 64

(1) 4M x 64

None

352MB

(1) 32M x 64

(1) 4M x 64

(1) 4M x 64

(1) 4M x 64

384MB

(1) 32M x 64

(1) 16M x 64

None

None

384MB

(1) 32M x 64

(1) 8M x 64

(1) 8M x 64

None

384MB

(1) 16M x 64

(1) 16M x 64

(1) 16M x 64

None

448MB

(1) 32M x 64

(1) 8M x 64

(1) 8M x 64

(1) 8M x 64

512MB

(1) 32M x 64

(1) 16M x 64

(1) 16M x 64

None

512MB

(1) 16M x 64

(1) 16M x 64

(1) 16M x 64

(1) 16M x 64

512MB

(1) 32M x 64

(1) 32M x 64

None

None

640MB

(1) 32M x 64

(1) 16M x 64

(1) 16M x 64

(1) 16M x 64

768MB

(1) 32M x 64

(1) 32M x 64

(1) 32M x 64

None

1024MB

(1) 32M x 64

(1) 32M x 64

(1) 32M x 64

(1) 32M x 64

Note: Board accepts EDO memory.

DIMM VOLTAGE SELECTION

Voltage

DRAM

3.3v

Pins 1 & 2, 3 & 4 closed

5v

Pins 7 & 8, 9 & 10 closed

CACHE CONFIGURATION

Note: 256KB/512KB cache is located on the Pentium II CPU.

CPU BUS SPEED SELECTION

Speed

SW1/1

SW1/2

SW1/3

SW1/4

60MHz

Off

Off

On

On

66MHz

On

On

Off

Off

CPU MULTIPLIER SELECTION

Multiplier

SW1/5

SW1/6

SW1/7

SW1/8

2x

On

On

On

On

2.5x

Off

On

On

On

3x

On

Off

On

On

3.5x

Off

Off

On

On

4x

On

On

Off

On

4.5x

Off

On

Off

On

5x

On

Off

Off

On

5.5x

Off

Off

Off

Off

6x

On

On

On

On

6.5x

Off

On

On

On

MISCELLANEOUS TECHNICAL NOTE

If only one CPU is installed, a CPU terminator must be installed in the 2 nd slot.