PHILIPS CONSUMER ELECTRONICS, CO.

E873

Processor

Pentium II

Processor Speed

233/266MHz

Chip Set

Intel

Video Chip Set

None

Maximum Onboard Memory

512MB (EDO supported)

Maximum Video Memory

None

Cache

256/512KB (located on Pentium II CPU)

BIOS

Award

Dimensions

305mm x 225mm

I/O Options

32-bit PCI slots (4), floppy drive interface, green PC connector, IDE interfaces (2), parallel port, PS/2 mouse port, serial ports (2), IR connector, USB connector, ATX power connector

NPU Options

None

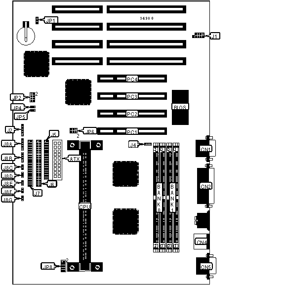
CONNECTIONS

Purpose

Location

Purpose

Location

ATX power connector

ATX

IDE interface 1

J7

Serial port 2

CN1

Power LED & keylock

J8A

Parallel port

CN2

Speaker

J8B

PS/2 mouse port

CN4

Reset switch

J8C

Serial port 1

CN5

Green PC connector

J8D

USB connector

J1

Soft off power supply

J8E

IR connector

J2

Green PC LED

J8F

Chassis fan power

J4

IDE interface LED

J8G

Floppy drive interface

J5

ATX LED

J8H

IDE interface 2

J6

32-bit PCI slots

PC1 – PC4

USER CONFIGURABLE SETTINGS

Function

Label

Position

»

CMOS memory normal operation

JP1

Pins 1 & 2 closed

 

CMOS memory clear

JP1

Pins 2 & 3 closed

»

Factory configured - do not alter

JP4

Open

»

CPU fan failure detection disabled

JP5

Open

 

CPU fan failure detection enabled

JP5

Closed

»

Factory configured - do not alter

JP6

Pins 1 & 3, 2 & 4 closed

SIMM CONFIGURATION

Size

Bank 0

Bank 1

8MB

(2) 1M x 36

None

16MB

(2) 2M x 36

None

16MB

(2) 1M x 36

(2) 1M x 36

24MB

(2) 2M x 36

(2) 1M x 36

32MB

(2) 4M x 36

None

32MB

(2) 2M x 36

(2) 2M x 36

40MB

(2) 4M x 36

(2) 1M x 36

48MB

(2) 4M x 36

(2) 2M x 36

64MB

(2) 8M x 36

None

64MB

(2) 4M x 36

(2) 4M x 36

72MB

(2) 8M x 36

(2) 1M x 36

80MB

(2) 8M x 36

(2) 2M x 36

96MB

(2) 8M x 36

(2) 4M x 36

128MB

(2) 8M x 36

(2) 8M x 36

128MB

(2) 16M x 36

None

136MB

(2) 16M x 36

(2) 1M x 36

144MB

(2) 16M x 36

(2) 2M x 36

160MB

(2) 16M x 36

(2) 4M x 36

192MB

(2) 16M x 36

(2) 8M x 36

256MB

(2) 16M x 36

(2) 16M x 36

SIMM CONFIGURATION (CON’T)

Size

Bank 0

Bank 1

256MB

(2) 32M x 36

None

264MB

(2) 32M x 36

(2) 1M x 36

272MB

(2) 32M x 36

(2) 2M x 36

288MB

(2) 32M x 36

(2) 4M x 36

320MB

(2) 32M x 36

(2) 8M x 36

384MB

(2) 32M x 36

(2) 16M x 36

512MB

(2) 32M x 36

(2) 32M x 36

Note: Board accepts EDO memory. Board also accepts x 32 SIMMs.

CACHE CONFIGURATION

Note: 256KB/512KB cache is located on the Pentium II CPU.

CPU SPEED SELECTION

CPU speed

Clock speed

Multiplier

JP2

233MHz

66MHz

3.5x

5 & 6, 7 & 8

266MHz

66MHz

4x

1 & 2, 3 & 4, 7 & 8

300MHz

66MHz

4.5x

3 & 4, 7 & 8

333MHz

66MHz

5x

1 & 2, 7 & 8

Note: Pins designated should be in the closed position.

CPU VOLTAGE SELECTION

Voltage

JP8

VID support enabled

Open

Note: Additional settings unidentified.