SOYO COMPUTER CO., LTD.

5VX0/X2/X5

Processor

CX M1/AM K5/Pentium

Processor Speed

75/90/100/120/133/150/166/180/200MHz

Chip Set

Intel

Video Chip Set

None

Maximum Onboard Memory

128MB (EDO supported)

Maximum Video Memory

None

Cache

256/512KB

BIOS

Award

Dimensions

305mm x 244mm

I/O Options

32-bit PCI slots (3), CD-ROM connector, floppy drive interface, game port, green PC connector, IDE interfaces (2), parallel port, PS/2 mouse port, serial ports (2), IR connector, USB connectors (2), ATX power connector, speaker out, line in, microphone in, wavetable connector, Creative Labs wavetable connector

NPU Options

None

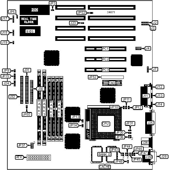
CONNECTIONS

Purpose

Location

Purpose

Location

ATX power connector

ATX

Green PC connector

J23

USB connector

J2

IDE interface LED

J24

USB connector

J3

Parallel port

J25

Creative Labs wavetable connector

J4

PS/2 mouse port

J26

CD-ROM in connector

J7

Serial port 1

J28

Game port

J11

Serial port 2

J29

Speaker out

J12

Floppy drive interface

J30

Microphone in

J13

IDE interface 1

J31

Line out

J14

IDE interface 2

J32

Power LED & keylock

J17

IR connector

JP15

Speaker

J18

Wavetable connector

JP52

Reset switch

J19

32-bit PCI slots

PC1- -PC3

USER CONFIGURABLE SETTINGS

Function

Label

Position

»

Monitor type select EGA/VGA

JP3

Closed

 

Monitor type select monochrome

JP3

Open

»

CMOS memory normal operation

JP5

Open

 

CMOS memory clear

JP5

Closed

»

Factory configured - do not alter

JP9

Unidentified

»

Factory configured - do not alter

JP50

Unidentified

»

PS/2 mouse disabled

JPS2

Open

 

PS/2 mouse enabled

JPS2

Closed

DIMM/DRAM CONFIGURATION

Size

Bank 0

Bank 1

Bank 2

Bank 3

4MB

(2) 512K x 36

None

None

None

8MB

(2) 1M x 36

None

None

None

8MB

None

None

(1) 1M x 64

None

16MB

(2) 2M x 36

None

None

None

16MB

None

None

(1) 2M x 64

None

16MB

(2) 1M x 36

(2) 1M x 36

None

None

16MB

(2) 1M x 36

None

None

(1) 1M x 64

16MB

None

None

(1) 1M x 64

(1) 1M x 64

24MB

(2) 2M x 36

None

None

(1) 1M x 64

32MB

(2) 4M x 36

None

None

None

32MB

None

None

(1) 4M x 64

None

32MB

(2) 2M x 36

(2) 2M x 36

None

None

32MB

(2) 2M x 36

None

None

(1) 2M x 64

32MB

None

None

(1) 2M x 64

(1) 2M x 64

32MB

(2) 2M x 36

None

None

(1) 2M x 64

40MB

(2) 4M x 36

(2) 1M x 36

None

None

DIMM/DRAM CONFIGURATION (CON’T)

Size

Bank 0

Bank 1

Bank 2

Bank 3

40MB

(2) 4M x 36

None

None

(1) 1M x 64

48MB

None

(2) 2M x 36

(1) 4M x 64

None

48MB

(2) 2M x 36

None

None

(1) 4M x 64

48MB

(2) 4M x 36

(2) 2M x 36

None

None

48MB

(2) 4M x 36

None

None

(1) 2M x 64

64MB

(2) 8M x 36

None

None

None

64MB

None

None

(1) 8M x 64

None

64MB

(2) 4M x 36

None

None

(1) 4M x 64

64MB

None

None

(1) 4M x 64

(1) 4M x 64

64MB

(2) 4M x 36

(2) 4M x 36

None

None

64MB

None

(2) 4M x 36

(1) 4M x 64

None

72MB

(2) 8M x 36

(2) 1M x 36

None

None

72MB

(2) 8M x 36

None

None

(1) 1M x 64

80MB

None

(2) 2M x 36

(1) 8M x 64

None

80MB

(2) 2M x 36

None

None

(1) 8M x 64

80MB

(2) 8M x 36

(2) 2M x 36

None

None

96MB

(2) 4M x 36

None

None

(1) 8M x 64

96MB

(2) 8M x 36

(2) 4M x 36

None

None

96MB

(2) 8M x 36

None

None

(1) 4M x 64

96MB

None

(2) 8M x 36

(1) 4M x 64

None

128MB

(2) 8M x 36

(2) 8M x 36

None

None

128MB

(2) 8M x 36

None

None

(1) 8M x 64

128MB

None

None

(1) 8M x 64

(1) 8M x 64

128MB

(2) 8M x 36

None

None

(1) 8M x 64

Note: Board accepts EDO memory. Banks 0 & 1 and 2 & 3 are interchangeable. Banks 0 & 3 and banks 1 & 2 may be used together.

DIMM VOLTAGE CONFIGURATION

Voltage

JP37

»

3.3v

Pins 5 & 6 closed

 

5v

Pins 1 & 2 closed

CACHE CONFIGURATION

Size

Bank 0

TAG

256KB

(2) 32K x 32

(1) 16K x 8

512KB

(2) 64K x 32

(1) 16K x 8

CPU SPEED SELECTION (CYRIX)

CPU speed

Clock speed

Multiplier

JP10

JP11

JP12

JP13

JP14

120MHz

50MHz

2x

Closed

Closed

Open

Closed

Open

133MHz

55MHz

2x

Open

Closed

Open

Closed

Open

150MHz

60MHz

2x

Closed

Open

Open

Closed

Open

166MHz

66MHz

2x

Open

Open

Open

Closed

Open

CPU SPEED SELECTION (AMD)

CPU speed

Clock speed

Multiplier

JP10

JP11

JP12

JP13

JP14

75MHz

50MHz

1.5x

Closed

Closed

Open

Open

Open

90MHz

60MHz

1.5x

Closed

Open

Open

Open

Open

100MHz

66MHz

1.5x

Open

Open

Open

Open

Open

120MHz

60MHz

1.5x

Closed

Open

Open

Open

Open

133MHz

66MHz

1.5x

Open

Open

Open

Open

Open

150MHz

60MHz

2x

Closed

Open

Open

Closed

Open

166MHz

66MHz

2x

Open

Open

Open

Closed

Open

CPU SPEED SELECTION (INTEL)

CPU speed

Clock speed

Multiplier

JP10

JP11

JP12

JP13

JP14

75MHz

50MHz

1.5x

Closed

Closed

Open

Open

Open

90MHz

60MHz

1.5x

Closed

Open

Open

Open

Open

100MHz

66MHz

1.5x

Open

Open

Open

Open

Open

120MHz

60MHz

2x

Closed

Open

Open

Closed

Open

133MHz

66MHz

2x

Open

Open

Open

Closed

Open

150MHz

60MHz

2.5x

Closed

Open

Open

Closed

Closed

166MHz

66MHz

2.5x

Open

Open

Open

Closed

Closed

180MHz

60MHz

3x

Closed

Open

Open

Open

Closed

200MHz

66MHz

3x

Open

Open

Open

Open

Closed

CPU VOLTAGE SELECTION (SINGLE)

Voltage

JP30

JP31

JP36

JP43

3.3v

Open

Open

Open

1 & 2, 3 & 4

3.52v

Open

Closed

Open

Open

Note: Pins designated should be in the closed position.

CPU VOLTAGE SELECTION (SINGLE, CON’T)

Voltage

JP44

JP45

JP46

JP47

JP48

3.3v

Open

Open

Open

Open

Closed

3.52v

1 & 2, 3 & 4

Closed

Open

Open

Open

Note: Pins designated should be in the closed position.

CPU VOLTAGE SELECTION (DUAL)

Voltage

V core

JP30

JP31

JP36

JP43

3.3v

2.5v

Open

Open

Open

Open

3.3v

2.7v

Open

Open

Open

Open

3.3v

2.8v

Open

Open

Open

Open

3.3v

2.9v

Open

Open

Open

Open

3.52v

2.5v

Open

Open

Open

Open

3.52v

2.7v

Open

Open

Open

Open

3.52v

2.8v

Open

Open

Open

Open

3.52v

2.9v

Open

Open

Open

Open

CPU VOLTAGE SELECTION (DUAL, CON’T)

Voltage

V core

JP44

JP45

JP46

JP47

JP48

3.3v

2.5v

1 & 2, 3 & 4

Open

Open

Closed

Closed

3.3v

2.7v

1 & 2, 3 & 4

Open

Closed

Open

Closed

3.3v

2.8v

1 & 2, 3 & 4

Open

Closed

Open

Closed

3.3v

2.9v

1 & 2, 3 & 4

Open

Closed

Open

Closed

3.52v

2.5v

1 & 2, 3 & 4

Open

Open

Closed

Closed

3.52v

2.7v

1 & 2, 3 & 4

Open

Closed

Open

Closed

3.52v

2.8v

1 & 2, 3 & 4

Open

Closed

Open

Closed

3.52v

2.9v

1 & 2, 3 & 4

Open

Closed

Open

Closed