SOYO COMPUTER CO., LTD.

6KB

Processor

Pentium II

Processor Speed

233/266/300/333MHz

Chip Set

Intel

Video Chip Set

None

Maximum Onboard Memory

512MB (EDO & SDRAM supported)

Maximum Video Memory

None

Cache

256/512KB (located on Pentium II CPU)

BIOS

Unidentified

Dimensions

305mm x 244mm

I/O Options

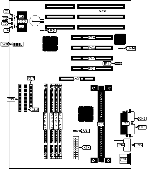
32-bit PCI slots (4), floppy drive interface, IDE interfaces (2), parallel port, PS/2 mouse port, serial ports (2), IR connector, USB connectors (2), ATX power connector, AGP slot

NPU Options

None

CONNECTIONS

Purpose

Location

Purpose

Location

AGP slot

AGP

USB connector 1

CN4

ATX power connector

ATX

USB connector 2

CN5

Reset switch

C1

PS/2 mouse port

CN6

Soft off power supply

C2

Floppy drive interface

CN7

Turbo LED

C3

IDE interface 2

CN8

IDE interface LED

C4

IDE interface 1

CN9

Power LED & keylock

C5

CPU fan power

FAN

Speaker

C6

IR connector

IR1

Parallel port

CN1

Wake on LAN connector

JP44

Serial port 2

CN2

32-bit PCI slots

PC1 – PC4

Serial port 1

CN3

   

USER CONFIGURABLE SETTINGS

Function

Label

Position

»

CMOS memory normal operation

JP5

Pins 1 & 2 closed

 

CMOS memory clear

JP5

Pins 2 & 3 closed

DIMM CONFIGURATION

Size

Bank 0

Bank 1

Bank 2

Bank 3

8MB

(1) 1M x 64

None

None

None

16MB

(1) 2M x 64

None

None

None

16MB

(1) 1M x 64

(1) 1M x 64

None

None

24MB

(1) 2M x 64

(1) 1M x 64

None

None

24MB

(1) 1M x 64

(1) 1M x 64

(1) 1M x 64

None

32MB

(1) 2M x 64

(1) 2M x 64

None

None

32MB

(1) 4M x 64

None

None

None

32MB

(1) 1M x 64

(1) 1M x 64

(1) 1M x 64

(1) 1M x 64

40MB

(1) 2M x 64

(1) 2M x 64

(1) 1M x 64

None

40MB

(1) 2M x 64

(1) 1M x 64

(1) 1M x 64

(1) 1M x 64

40MB

(1) 4M x 64

(1) 1M x 64

None

None

48MB

(1) 2M x 64

(1) 2M x 64

(1) 2M x 64

None

48MB

(1) 2M x 64

(1) 2M x 64

(1) 1M x 64

(1) 1M x 64

48MB

(1) 4M x 64

(1) 1M x 64

(1) 1M x 64

None

56MB

(1) 4M x 64

(1) 2M x 64

(1) 1M x 64

None

56MB

(1) 4M x 64

(1) 1M x 64

(1) 1M x 64

(1) 1M x 64

64MB

(1) 2M x 64

(1) 2M x 64

(1) 2M x 64

(1) 2M x 64

64MB

(1) 4M x 64

(1) 4M x 64

None

None

64MB

(1) 8M x 64

None

None

None

80MB

(1) 4M x 64

(1) 2M x 64

(1) 2M x 64

(1) 2M x 64

80MB

(1) 4M x 64

(1) 4M x 64

(1) 1M x 64

(1) 1M x 64

80MB

(1) 8M x 64

(1) 2M x 64

None

None

DIMM CONFIGURATION (CON’T)

Size

Bank 0

Bank 1

Bank 2

Bank 3

80MB

(1) 8M x 64

(1) 1M x 64

(1) 1M x 64

None

96MB

(1) 4M x 64

(1) 4M x 64

(1) 2M x 64

(1) 2M x 64

96MB

(1) 4M x 64

(1) 4M x 64

(1) 4M x 64

None

96MB

(1) 8M x 64

(1) 2M x 64

(1) 1M x 64

(1) 1M x 64

112MB

(1) 4M x 64

(1) 4M x 64

(1) 4M x 64

(1) 2M x 64

112MB

(1) 8M x 64

(1) 4M x 64

(1) 2M x 64

None

112MB

(1) 8M x 64

(1) 4M x 64

(1) 1M x 64

(1) 1M x 64

128MB

(1) 16M x 64

None

None

None

128MB

(1) 4M x 64

(1) 4M x 64

(1) 4M x 64

(1) 4M x 64

128MB

(1) 8M x 64

(1) 4M x 64

(1) 4M x 64

None

128MB

(1) 8M x 64

(1) 8M x 64

None

None

160MB

(1) 16M x 64

(1) 2M x 64

(1) 1M x 64

(1) 1M x 64

192MB

(1) 16M x 64

(1) 4M x 64

(1) 4M x 64

None

192MB

(1) 8M x 64

(1) 8M x 64

(1) 4M x 64

(1) 4M x 64

192MB

(1) 8M x 64

(1) 8M x 64

(1) 8M x 64

None

224MB

(1) 16M x 64

(1) 8M x 64

(1) 2M x 64

(1) 2M x 64

224MB

(1) 16M x 64

(1) 8M x 64

(1) 4M x 64

None

256MB

(1) 16M x 64

(1) 16M x 64

None

None

256MB

(1) 16M x 64

(1) 8M x 64

(1) 4M x 64

(1) 4M x 64

256MB

(1) 16M x 64

(1) 8M x 64

(1) 8M x 64

None

256MB

(1) 8M x 64

(1) 8M x 64

(1) 8M x 64

(1) 8M x 64

288MB

(1) 16M x 64

(1) 16M x 64

(1) 4M x 64

None

320MB

(1) 16M x 64

(1) 8M x 64

(1) 8M x 64

(1) 8M x 64

384MB

(1) 16M x 64

(1) 16M x 64

(1) 16M x 64

None

384MB

(1) 16M x 64

(1) 16M x 64

(1) 8M x 64

(1) 8M x 64

448MB

(1) 16M x 64

(1) 16M x 64

(1) 16M x 64

(1) 8M x 64

512MB

(1) 16M x 64

(1) 16M x 64

(1) 16M x 64

(1) 16M x 64

Note: Board accepts EDO & SDRAM memory.

CACHE CONFIGURATION

Note: 256KB/512KB cache is located on the Pentium II CPU.

CPU SPEED SELECTION

CPU speed

Clock speed

Multiplier

SW1/1

SW1/2

SW1/3

SW1/4

SW1/5

233MHz

66MHz

3.5x

Off

On

Off

Off

On

266MHz

66MHz

4x

Off

On

On

On

Off

300MHz

66MHz

4.5x

Off

On

Off

On

Off

333MHz

66MHz

5x

Off

On

On

Off

Off