TYAN COMPUTER CORPORATION

S1696DLUA

Device Type

Mainboard

Processor

Pentium II

Processor Speed

200/233/266/300/333MHz

Chip Set

Intel

Video Chip Set

None

Maximum Onboard Memory

1GB (EDO & SDRAM supported)

Maximum Video Memory

None

Cache

256/512KB (located on Pentium II CPU)

BIOS

AMI

Dimensions

305mm x 244mm

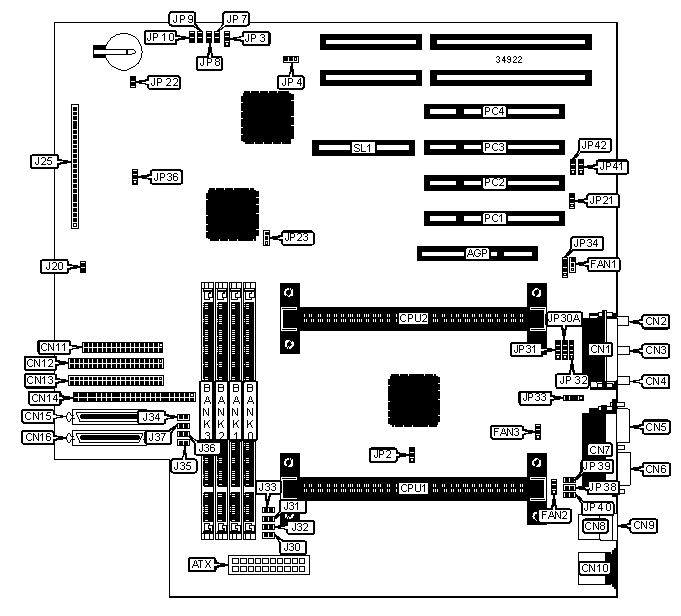
I/O Options

32-bit PCI slots (4), floppy drive interface, game port, green PC connector, IDE interfaces (2), SCSI interface, Wide Ultra SCSI interface, parallel port, PS/2 mouse port, serial ports (2), IR connector, USB connectors (2), ATX power connector, AGP slot, line in, line out, microphone in, RAID slot

NPU Options

None

CONNECTIONS

Purpose

Location

Purpose

Location

AGP slot

AGP

Ultra Wide SCSI interface

CN15

ATX power connector

ATX

Ultra Wide SCSI interface

CN16

Game port

CN1

Chassis fan power

FAN1

Microphone in

CN2

Chassis fan power

FAN2

Line in

CN3

Chassis fan power

FAN3

Line out

CN4

Soft off power supply

J25/pins 1 & 2

Serial port 2

CN5

Green PC connector

J25/pins 3 & 4

Serial port 1

CN6

IR connector

J25/pins 6 - 11

Parallel port

CN7

IDE interface LED

J25/pins 13 - 16

USB connector 1

CN8

Power LED

J25/pins 18 - 20

USB connector 2

CN9

Reset switch

J25/pins 22 & 23

PS/2 mouse port

CN10

Speaker

J25/pins 24 - 27

Floppy drive interface

CN11

Wake on LAN connector

JP21

IDE interface 1

CN12

SCSI interface LED

JP22

IDE interface 2

CN13

32-bit PCI slots

PC1 – PC4

SCSI interface

CN14

RAID slot

SL1

USER CONFIGURABLE SETTINGS

Function

Label

Position

»

Factory configured - do not alter

J20

Unidentified

»

Factory configured - do not alter

JP2

Open

»

CMOS memory normal operation

JP3

Pins 1 & 2 closed

 

CMOS memory clear

JP3

Pins 2 & 3 closed

»

Flash BIOS voltage select 5v

JP4

Pins 1 & 2 closed

 

Flash BIOS voltage select 12v

JP4

Pins 2 & 3 closed

»

SCSI PCI ID select AD 26

JP23

Pins 1 & 2 closed

 

SCSI PCI ID select AD 24

JP23

Pins 2 & 3 closed

»

Factory configured - do not alter

JP30A

Unidentified

»

Factory configured - do not alter

JP31

Unidentified

»

Factory configured - do not alter

JP32

Unidentified

»

Factory configured - do not alter

JP33

Unidentified

»

Factory configured - do not alter

JP34

Unidentified

»

Factory configured - do not alter

JP36

Unidentified

»

Factory configured - do not alter

JP38

Closed

USER CONFIGURABLE SETTINGS (CON’T)

Function

Label

Position

»

Factory configured - do not alter

JP39

Closed

»

Factory configured - do not alter

JP40

Open

»

Factory configured - do not alter

JP48

Open

Note: The location of JP48 is unidentified.

DIMM CONFIGURATION

Size

Bank 0

Bank 1

Bank 2

Bank 3

8MB

(1) 1M x 64

None

None

None

16MB

(1) 2M x 64

None

None

None

16MB

(1) 1M x 64

(1) 1M x 64

None

None

24MB

(1) 2M x 64

(1) 1M x 64

None

None

24MB

(1) 1M x 64

(1) 1M x 64

(1) 1M x 64

None

32MB

(1) 4M x 64

None

None

None

32MB

(1) 2M x 64

(1) 2M x 64

None

None

32MB

(1) 1M x 64

(1) 1M x 64

(1) 1M x 64

(1) 1M x 64

40MB

(1) 4M x 64

(1) 1M x 64

None

None

48MB

(1) 4M x 64

(1) 2M x 64

None

None

48MB

(1) 2M x 64

(1) 2M x 64

(1) 2M x 64

None

64MB

(1) 2M x 64

(1) 2M x 64

(1) 2M x 64

(1) 2M x 64

64MB

(1) 8M x 64

None

None

None

64MB

(1) 4M x 64

(1) 4M x 64

None

None

72MB

(1) 8M x 64

(1) 1M x 64

None

None

80MB

(1) 8M x 64

(1) 2M x 64

None

None

96MB

(1) 8M x 64

(1) 4M x 64

None

None

96MB

(1) 4M x 64

(1) 4M x 64

(1) 4M x 64

None

128MB

(1) 16M x 64

None

None

None

128MB

(1) 8M x 64

(1) 8M x 64

None

None

128MB

(1) 4M x 64

(1) 4M x 64

(1) 4M x 64

(1) 4M x 64

136MB

(1) 16M x 64

(1) 1M x 64

None

None

144MB

(1) 16M x 64

(1) 2M x 64

None

None

152MB

(1) 16M x 64

(1) 1M x 64

(1) 1M x 64

(1) 1M x 64

160MB

(1) 16M x 64

(1) 4M x 64

None

None

176MB

(1) 16M x 64

(1) 2M x 64

(1) 2M x 64

(1) 2M x 64

192MB

(1) 16M x 64

(1) 8M x 64

None

None

DIMM CONFIGURATION (CON’T)

Size

Bank 0

Bank 1

Bank 2

Bank 3

192MB

(1) 8M x 64

(1) 8M x 64

(1) 8M x 64

None

224MB

(1) 16M x 64

(1) 4M x 64

(1) 4M x 64

(1) 4M x 64

256MB

(1) 32M x 64

None

None

None

256MB

(1) 16M x 64

(1) 16M x 64

None

None

256MB

(1) 8M x 64

(1) 8M x 64

(1) 8M x 64

(1) 8M x 64

272MB

(1) 16M x 64

(1) 16M x 64

(1) 1M x 64

(1) 1M x 64

280MB

(1) 32M x 64

(1) 1M x 64

(1) 1M x 64

(1) 1M x 64

288MB

(1) 16M x 64

(1) 16M x 64

(1) 2M x 64

(1) 2M x 64

304MB

(1) 32M x 64

(1) 2M x 64

(1) 2M x 64

(1) 2M x 64

320MB

(1) 16M x 64

(1) 16M x 64

(1) 4M x 64

(1) 4M x 64

320MB

(1) 16M x 64

(1) 8M x 64

(1) 8M x 64

(1) 8M x 64

352MB

(1) 32M x 64

(1) 4M x 64

(1) 4M x 64

(1) 4M x 64

384MB

(1) 16M x 64

(1) 16M x 64

(1) 16M x 64

None

448MB

(1) 32M x 64

(1) 8M x 64

(1) 8M x 64

(1) 8M x 64

512MB

(1) 32M x 64

(1) 32M x 64

None

None

512MB

(1) 16M x 64

(1) 16M x 64

(1) 16M x 64

(1) 16M x 64

640MB

(1) 32M x 64

(1) 16M x 64

(1) 16M x 64

(1) 16M x 64

768MB

(1) 32M x 64

(1) 32M x 64

(1) 32M x 64

None

1024MB

(1) 32M x 64

(1) 32M x 64

(1) 32M x 64

(1) 32M x 64

Note: Board accepts EDO & SDRAM memory. Maximum SDRAM is 512MB. Maximum EDO is 1GB.

DIMM VOLTAGE CONFIGURATION

Voltage

J30

J31

J32

J33

»

3.3v

Closed

Closed

Closed

Closed

 

5v

Open

Open

Open

Open

DIMM VOLTAGE CONFIGURATION (CON’T)

Voltage

J34

J35

J36

J37

»

3.3v

Open

Open

Open

Open

 

5v

Closed

Closed

Closed

Closed

CACHE CONFIGURATION

Note: 256KB/512KB cache is located on the Pentium II CPU.

CPU SPEED SELECTION

CPU speed

Clock speed

Multiplier

JP7

JP8

JP9

JP10

200MHz

66MHz

3x

Closed

Closed

Open

Closed

233MHz

66MHz

3.5x

Closed

Open

Open

Closed

266MHz

66MHz

4x

Closed

Closed

Closed

Open

300MHz

66MHz

4.5x

Closed

Open

Closed

Open

333MHz

66MHz

5x

Closed

Closed

Open

Open

SERIAL PORT SELECTION

Setting

JP41

JP42

JP45

JP46

Used as serial port

Pins 1 & 2 closed

Pins 1 & 2 closed

Closed

Open

Used as IR connector

Pins 2 & 3 closed

Pins 2 & 3 closed

Open

Closed

Note: The location of JP45 & JP46 is unidentified.

SCSI TERMINATION SELECTION

Setting

JP43

JP44

»

SCSI high byte enabled

Pins 1 & 2 closed

Pins 1 & 2 closed

 

Controlled by SCSI chip

Pins 2 & 3 closed

Pins 2 & 3 closed