SIEMENS NIXDORF
SYSTEM BOARD D1042
|
Device Type |
Mainboard |
|
Processor |
AM K6/Pentium MMX |
|
Processor Speed |
166/200/233MHz |
|
Chip Set |
Unidentified |
|
Video Chip Set |
Matrox |
|
Maximum Onboard Memory |
256MB (SDRAM supported) |
|
Maximum Video Memory |
8MB |
|
Cache |
512KB |
|
BIOS |
Unidentified |
|
Dimensions |
305mm x 244mm |
|
I/O Options |
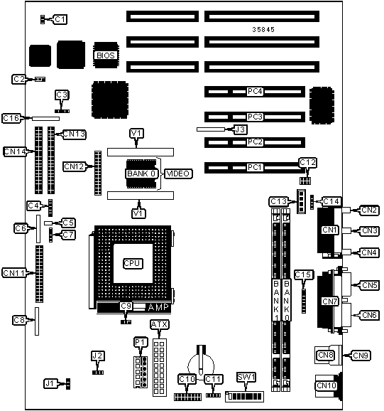
32-bit PCI slots (4), floppy drive interface, game/MIDI port, IDE interfaces (2), parallel port, PS/2 mouse port, serial port, IR connector, USB connectors (2), ATX power connector, line in, line out, microphone in, audio in – CD-ROM, wake on LAN connector |
|
CONNECTIONS | |||
|
Purpose |
Location |
Purpose |
Location |
|
ATX power connector |
ATX |
Game/MIDI port |
CN1 |
|
Chassis fan power |
C1 |
Line in |
CN2 |
|
Wake on LAN connector |
C2 |
Line out |
CN3 |
|
Speaker |
C3 |
Microphone in |
CN4 |
|
IR connector |
C4 |
VGA port |
CN5 |
|
Soft off power supply |
C5 |
Serial port |
CN6 |
|
Front panel connector |
C6 |
Parallel port |
CN7 |
|
SCSI interface LED |
C7 |
USB connector 1 |
CN8 |
|
Front panel connector |
C8 |
USB connector 2 |
CN9 |
|
CPU fan power |
C9 |
PS/2 mouse port |
CN10 |
|
Chipcard connector |
C10 |
Floppy drive interface |
CN11 |
|
Chassis intrusion connector |
C11 |
VGA feature connector |
CN12 |
|
Modem connector |
C12 |
IDE interface 1 |
CN13 |
|
Audio in – CD-ROM |
C13 |
IDE interface 2 |
CN14 |
|
Auxiliary in connector |
C14 |
32-bit PCI slots |
PC1 – PC4 |
|
Cover detection connector |
C15 |
3.3v power |
P1 |
|
I2C connector |
C16 | ||
|
USER CONFIGURABLE SETTINGS | |||
|
Function |
Label |
Position | |
|
» |
Factory configured - do not alter |
J2 |
Unidentified |
|
» |
Factory configured - do not alter |
J3 |
Unidentified |
|
» |
BIOS normal operation |
SW1/5 |
Off |
|
BIOS recovery mode |
SW1/5 |
On | |
|
» |
Factory configured - do not alter |
SW1/6 |
Off |
|
» |
Factory configured - do not alter |
SW1/7 |
Unidentified |
|
» |
Floppy drive write protect disabled |
SW1/8 |
Off |
|
Floppy drive write protect enabled |
SW1/8 |
On | |
|
DIMM CONFIGURATION | ||
|
Size |
Bank 0 |
Bank 1 |
|
8MB |
(1) 1M x 64 |
None |
|
16MB |
(1) 2M x 64 |
None |
|
16MB |
(1) 1M x 64 |
(1) 1M x 64 |
|
SIMM CONFIGURATION (CON’T) | ||
|
Size |
Bank 0 |
Bank 1 |
|
24MB |
(1) 2M x 64 |
(1) 1M x 64 |
|
32MB |
(1) 4M x 64 |
None |
|
32MB |
(1) 2M x 64 |
(1) 2M x 64 |
|
40MB |
(1) 4M x 64 |
(1) 1M x 64 |
|
48MB |
(1) 4M x 64 |
(1) 2M x 64 |
|
64MB |
(1) 8M x 64 |
None |
|
64MB |
(1) 4M x 64 |
(1) 4M x 64 |
|
72MB |
(1) 8M x 64 |
(1) 1M x 64 |
|
80MB |
(1) 8M x 64 |
(1) 2M x 64 |
|
96MB |
(1) 8M x 64 |
(1) 4M x 64 |
|
128MB |
(1) 16M x 64 |
None |
|
128MB |
(1) 8M x 64 |
(1) 8M x 64 |
|
136MB |
(1) 16M x 64 |
(1) 1M x 64 |
|
144MB |
(1) 16M x 64 |
(1) 2M x 64 |
|
160MB |
(1) 16M x 64 |
(1) 4M x 64 |
|
192MB |
(1) 16M x 64 |
(1) 8M x 64 |
|
256MB |
(1) 16M x 64 |
(1) 16M x 64 |
|
Note: Board accepts SDRAM memory. | ||
|
CACHE CONFIGURATION |
|
Note: The location of the cache is unidentified. |
|
VIDEO MEMORY CONFIGURATION | ||
|
Size |
Bank 0 |
V1 |
|
2MB |
2MB |
None |
|
4MB |
2MB |
2MB module installed |
|
8MB |
2MB |
6MB module installed |
|
CPU SPEED SELECTION (AM K6) | ||||||
|
CPU speed |
Clock speed |
Multiplier |
SW1/1 |
SW1/2 |
SW1/3 |
SW1/4 |
|
166MHz |
66MHz |
2.5x |
On |
Off |
On |
On |
|
200MHz |
66MHz |
3x |
On |
Off |
Off |
On |
|
233MHz |
66MHz |
3.5x |
On |
Off |
Off |
Off |
|
CPU SPEED SELECTION (INTEL MMX) | ||||||
|
CPU speed |
Clock speed |
Multiplier |
SW1/1 |
SW1/2 |
SW1/3 |
SW1/4 |
|
166MHz |
66MHz |
2.5x |
On |
Off |
On |
On |
|
200MHz |
66MHz |
3x |
On |
Off |
Off |
On |
|
233MHz |
66MHz |
3.5x |
On |
Off |
Off |
Off |
|
CPU TYPE SELECTION | |
|
Type |
J1 |
|
AM K6-166/200 |
Pins 1 & 2 closed |
|
AM K6-233 |
Pins 2 & 3 closed |
|
Intel |
Open |