TYAN COMPUTER CORPORATION

S1846S

Device Type

Mainboard

Processor

Pentium II/Celeron

Processor Speed

233/266/300/333/350/400MHz

Chip Set

Intel 440BX

Maximum Onboard Memory

768MB (SDRAM supported)

Cache

0/128/256/512KB (located on CPU)

BIOS

AMI

Dimensions

305mm x 244mm

I/O Options

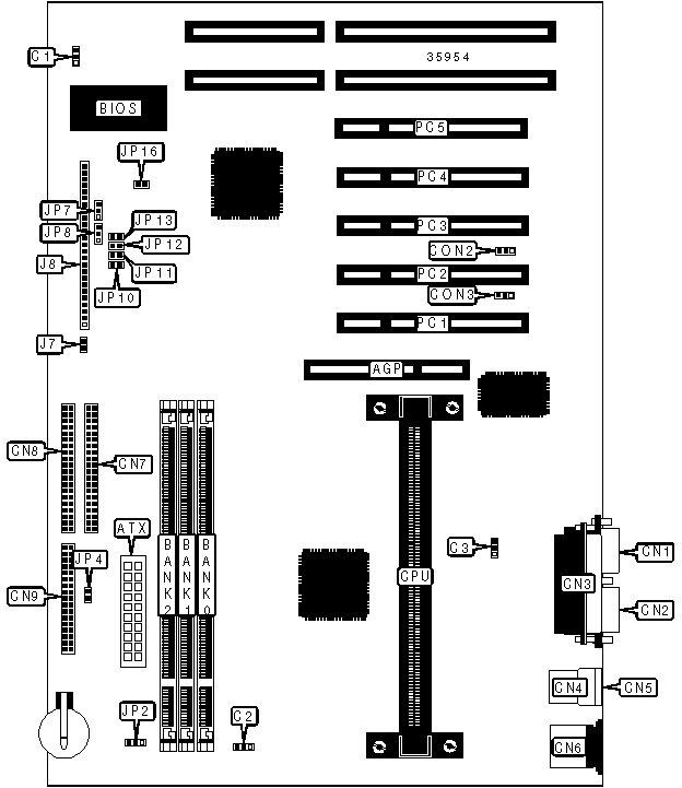
32-bit PCI slots (5), floppy drive interface, green PC connector, IDE interfaces (2), parallel port, PS/2 mouse port, serial ports (2), IR connector, USB connectors (2), ATX power connector, AGP slot

CONNECTIONS

Purpose

Location

Purpose

Location

AGP slot

AGP

Floppy drive interface

CN9

ATX power connector

ATX

Wake on LAN connector

CON3

Chassis fan power

C1

Chassis intrusion connector

J7

Chassis fan power

C2

Soft off power supply

J8/pins 1 & 2

Chassis fan power

C3

Green PC connector

J8/pins 3 & 4

Serial port 2

CN1

IR connector

J8/pins 6 - 10

Serial port 1

CN2

IDE interface LED

J8/pins 13 - 16

Parallel port

CN3

Power LED

J8/pins 18 & 20

USB connector 1

CN4

Reset switch

J8/pins 22 & 23

USB connector 2

CN5

Speaker

J8/pins 24 - 27

PS/2 mouse port

CN6

Green PC connector

JP16

IDE interface 2

CN7

32-bit PCI slots

PC1 - PC5

IDE interface 1

CN8

 

 

USER CONFIGURABLE SETTINGS

Function

Label

Position

»

Factory configured - do not alter

CON2

Unidentified

»

CMOS memory normal operation

JP2

Pins 1 & 2 closed

 

CMOS memory clear

JP2

Pins 2 & 3 closed

DIMM CONFIGURATION

Size

Bank 0

Bank 1

Bank 2

8MB

(1) 1M x 64

None

None

16MB

(1) 1M x 64

(1) 1M x 64

None

16MB

(1) 2M x 64

None

None

24MB

(1) 1M x 64

(1) 1M x 64

(1) 1M x 64

32MB

(1) 2M x 64

(1) 2M x 64

None

32MB

(1) 4M x 64

None

None

48MB

(1) 2M x 64

(1) 2M x 64

(1) 2M x 64

64MB

(1) 4M x 64

(1) 4M x 64

None

64MB

(1) 8M x 64

None

None

96MB

(1) 4M x 64

(1) 4M x 64

(1) 4M x 64

128MB

(1) 8M x 64

(1) 8M x 64

None

128MB

(1) 16M x 64

None

None

DIMM CONFIGURATION (CON'T)

Size

Bank 0

Bank 1

Bank 2

164MB

(1) 16M x 64

(1) 1M x 64

None

144MB

(1) 16M x 64

(1) 1M x 64

(1) 1M x 64

144MB

(1) 16M x 64

(1) 2M x 64

None

160MB

(1) 16M x 64

(1) 2M x 64

(1) 2M x 64

160MB

(1) 16M x 64

(1) 4M x 64

None

192MB

(1) 16M x 64

(1) 4M x 64

(1) 4M x 64

192MB

(1) 16M x 64

(1) 8M x 64

None

192MB

(1) 8M x 64

(1) 8M x 64

(1) 8M x 64

256MB

(1) 16M x 64

(1) 8M x 64

(1) 8M x 64

256MB

(1) 16M x 64

(1) 16M x 64

None

256MB

(1) 32M x 64

None

None

264MB

(1) 32M x 64

(1) 1M x 64

None

272MB

(1) 32M x 64

(1) 1M x 64

(1) 1M x 64

272MB

(1) 32M x 64

(1) 2M x 64

None

288MB

(1) 32M x 64

(1) 2M x 64

(1) 2M x 64

288MB

(1) 32M x 64

(1) 4M x 64

None

320MB

(1) 32M x 64

(1) 4M x 64

(1) 4M x 64

320MB

(1) 32M x 64

(1) 8M x 64

None

384MB

(1) 32M x 64

(1) 8M x 64

(1) 8M x 64

384MB

(1) 32M x 64

(1) 16M x 64

None

384MB

(1) 16M x 64

(1) 16M x 64

(1) 16M x 64

512MB

(1) 32M x 64

(1) 16M x 64

(1) 16M x 64

512MB

(1) 32M x 64

(1) 32M x 64

None

768MB

(1) 32M x 64

(1) 32M x 64

(1) 32M x 64

Note: Board accepts SDRAM memory.

CACHE CONFIGURATION

Note: 256KB/512KB cache is located on the Pentium II CPU. 128KB cache is located on the Celeron 300A & 333 CPU.

CPU SPEED SELECTION

CPU speed

Clock speed

Multiplier

JP10

JP11

JP12

JP13

233MHz

66MHz

3.5x

Closed

Open

Open

Closed

266MHz

66MHz

4x

Open

Closed

Closed

Closed

300MHz

66MHz

4.5x

Open

Closed

Open

Closed

300MHz

100MHz

3x

Closed

Open

Closed

Closed

333MHz

66MHz

5x

Open

Open

Closed

Closed

350MHz

100MHz

3.5x

Closed

Open

Open

Closed

400MHz

100MHz

4x

Open

Closed

Closed

Closed

FLOPPY DRIVE/IR SELECTION

Setting

JP4

JP7

JP8

2 floppy drives

Closed

Pins 2 & 3 closed

Pins 1 & 2 closed

1 floppy, 1 IR

Open

Pins 1 & 2 closed

Pins 2 & 3 closed