STANDARD MICROSYSTEMS CORPORATION

EtherCard PLUS Elite10T

NIC Type

Ethernet

Transfer Rate

10Mbps

Data Bus

8-bit ISA

Topology

Linear bus

Star

Wiring Type

Unshielded twisted pair

AUI transceiver via DB-15 port

Boot ROM

Available

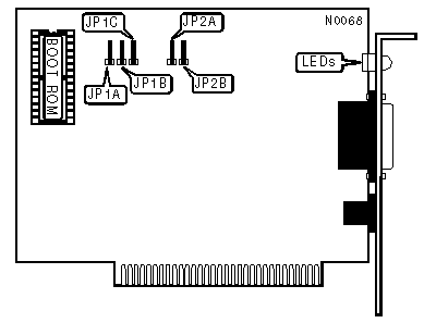
NETWORK CARD CONFIGURATION

I/O Base Address

IRQ

Base Address

JP1A

JP1B

JP1C

»

280h

3

D0000h

Open

Closed

Open

 

300h

5

CA000h

Open

Open

Closed

 

Software setup

Software setup

Software setup

Closed

Open

Open

BOOT ROM ADDRESS

Setting

JP2A

JP2B

»

Software Setup/Disabled

Closed

Open

 

D8000h

Open

Closed

DIAGNOSTIC LED(S)

LED

Status

Condition

LED1

On

Twisted pair network connection is good

LED1

Off

Twisted pair network connection is broken

LED2

On

Data is being transmitted

LED2

Off

Data is not being transmitted

LED3

On

Data is being received

LED3

Off

Data is not being received