UNIDENTIFIED

8-BIT 10BASET

NIC Type

Ethernet

Transfer Rate

10Mbps

Data Bus

8-bit ISA

Topology

Linear bus

Wiring Type

AUI transceiver via DB-15 port

Unshielded twisted pair

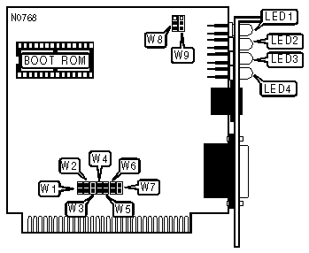
Boot ROM

Available

BOOT ROM

Setting

W1

»

Disabled

Open

 

Enabled

Closed

CABLE TYPE

Type

W8

»

Unshielded twisted pair

Pins 2 & 3 closed

 

AUI transceiver via DB-15 port

Pins 1 & 2 closed

INTERRUPT SELECT

IRQ

W4

W5

W6

W7

»

IRQ3

Closed

Open

Open

Open

 

IRQ2

Open

Open

Open

Closed

 

IRQ4

Open

Closed

Open

Open

 

IRQ5

Open

Open

Closed

Open

I/O ADDRESS SELECT

Address

W2

W3

»

300h

Closed

Closed

 

320h

Open

Closed

 

340h

Closed

Open

 

360h

Open

Open

LINK TEST

Setting

W9

»

Enabled

Pins 1 & 2 closed

 

Disabled

Pins 2 & 3 closed

DIAGNOSTIC LED(S)

LED

Color

Status

Condition

LED1

Yellow

On

Data is not being transmitted

LED1

Yellow

Blinking

Data is being transmitted

LED2

Red

On

Data is not being received

LED2

Red

Blinking

Data is being received

LED3

Green

On

Network connection is good

LED3

Green

Off

Network connection is broken

LED4

Red

Off

Normal twisted pair operation

LED4

Red

On

Twisted pair receive wires are reversed and corrected for