PATTON ELECTRONICS COMPANY
1080A
|
Modem Type |
Data (synchronous/asynchronous) |
|
Maximum Data Rate |
57.6Kbps |
|
Data Bus |
External |
|
Data Modulation Protocol |
Proprietary |

|
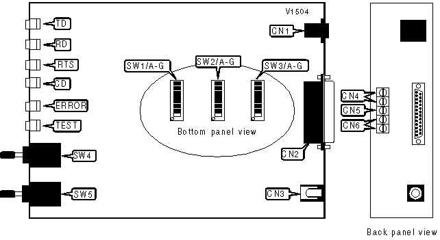
CONNECTIONS | |||
|
Purpose |
Location |
Purpose |
Location |
|
Line in |
CN1 |
Transmit |
CN4 |
|
RS-232/422 |
CN2 |
Ground |
CN5 |
|
DC power |
CN3 |
Receive |
CN6 |
|
ANTISTREAMING | ||
|
Setting |
SW3/G |
SW3/H |
| » Disabled |
Off |
Off |
| 12.5 seconds |
Off |
On |
| 50 seconds |
On |
Off |
| 12.5 seconds |
On |
On |
|
CARRIER SIGNAL | |
|
Setting |
SW1/H |
| » Forced high |
Off |
| Carrier signal follows RTS |
On |
|
CLOCK SOURCE | ||
|
Setting |
SW1/E |
SW1/F |
| » Internal transmit |
On |
On |
| Receive recover |
Off |
On |
| External Transmit |
On |
Off |
|
DATA RATE FLUCTUATION ALLOWED | |
|
Setting |
SW2/C |
| » -2.5% to +1% |
Off |
| -2.5% to +2.3% |
On |
|
DEVICE TYPE | |
|
Setting |
SW3/D |
| » On |
Point to point |
| On |
Multipoint master |
| Off |
Multipoint slave |
|
IMPEDANCE | ||
|
Setting |
SW3/A |
SW3/B |
| 130 Ohms |
On |
On |
| » 200 Ohms |
Off |
On |
| 320 Ohms |
Off |
On |
| Minimum 2K ohms |
Off |
Off |
|
LOCAL ANALOG LOOPBACK TEST | |
|
Setting |
SW3/E |
| Enabled |
On |
| » Disabled |
Off |
|
LOOPBACK TEST SELCET | |
|
Setting |
SW5 |
|
Local analog loopback |
Up |
|
Normal operation |
Horizontal |
|
Remote digital loopback |
Down |
|
LOOPBACK TEST | |
|
Setting |
SW2/F |
| » Loopback test enabled |
Off |
| Loopback test disabled |
On |
|
REMOTE DIGITAL LOOPBACK TEST | |
|
Setting |
SW3/F |
| Enabled |
On |
| » Disabled |
Off |
|
RTS/CTS DELAY | ||
|
Setting |
SW2/D |
SW2/E |
| » 7ms |
On |
On |
| 53ms |
Off |
On |
| Disabled |
On |
Off |
| Disabled |
Off |
Off |
|
SPEED | ||||
|
Setting |
SW1/A |
SW1/B |
SW1/C |
SW1/D |
| 1.2Kbps |
On |
On |
On |
On |
| 1.8kbps |
Off |
On |
On |
On |
| 2.4Kkbps |
On |
Off |
On |
On |
| 3.6kbps |
Off |
Off |
On |
On |
| 4.8kbps |
On |
On |
Off |
On |
| 7.2kbps |
Off |
On |
Off |
On |
| » 9.6kbps |
On |
Off |
Off |
On |
| 14.4kbps |
Off |
Off |
Off |
On |
| 19.2kbps |
On |
On |
On |
Off |
| 28.8kbps |
Off |
On |
On |
Off |
| 38.4kbps |
On |
On |
Off |
Off |
| 57.6kbps |
Off |
On |
Off |
Off |
|
SYNCHRONOUS/ASYNCHRONOUS MODE | |
|
Setting |
SW1/G |
| » Asynchronous |
On |
| Synchronous |
Off |
|
TEST PATTERN | |
|
Setting |
SW4 |
|
Generate 511 test pattern |
Up |
|
Normal operation |
Horizontal |
|
Test 511E test pattern generator |
Down |
|
WIRE TYPE | |
|
Setting |
SW2/G |
| » 4 wire |
Off |
| 2 wire |
On |
|
WORD LENGTH | ||
|
Setting |
SW2/A |
SW2/B |
| 8 bit |
Off |
On |
| 9 bit |
On |
On |
| » 10 bit |
Off |
Off |
| 11 bit |
On |
Off |
|
FACTORY CONFIGURED SETTINGS | |
|
Jumper |
Setting |
|
SW3/C |
Not used |
|
SW2/H |
Not used |
|
DIAGNOSTIC LED(S) | |||||
|
LED |
Color |
Status |
Condition | ||
|
TD |
Red/Green |
Blinking |
Modem is transmitting data | ||
|
TD |
Red |
Off |
Modem connection is broken | ||
|
TD |
Red |
On |
Modem is not transmitting data | ||
|
RD |
Red/Green |
Blinking |
Modem is receiving data | ||
|
RD |
Green |
Off |
Modem connection is broken | ||
|
RD |
Red |
On |
Modem is not receiving data | ||
|
RTS |
Red |
On |
RTS signal is low | ||
|
RTS |
Green |
Off |
RTS signal is high | ||
|
CD |
Red |
On |
Carrier signal not detected | ||
|
CD |
Green |
Off |
Carrier signal detected | ||
|
In Test Mode |
Not In Test Mode | ||||
|
ERROR |
Red |
On |
Bit errors detected |
RTS streaming error | |
|
ERROR |
Red |
Off |
No bit errors |
No streaming error | |
|
TEST |
Red |
Off |
Modem is not in test mode | ||
|
TEST |
Red |
On |
Modem is in test mode | ||