RACAL-DATACOM

VA-2450P, VA-2450S, VA-2450G, VA-2450K, VA-2455P, VA-2455S, VA-2455G, VA-2455K

Card Type

Modem (asynchronous)

Chip Set

Unidentified

Maximum Data Rate

2400bps

Data Bus

External

Data Modulation Protocol

Unidentified

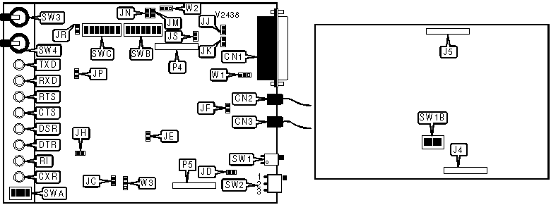
CONNECTIONS

Function

Label

Function

Label

RS-232/422

CN1

Daughterboard header

P4

DC power

CN2

Daughterboard header

P5

Line out

CN3

Answer mode switch

SW3

Header to main modem board

J4

Loopback test switch

SW4

Header to main modem board

J5

   

Note: Daughterboard included on VA-2455 models only.

USER CONFIGURABLE SETTINGS

Setting

Label

Position

Carrier receive level set at 0dBm to -35dBm (switched-line)

SWA/1

On

Carrier receive level set at -10dBm to -45dBm (leased-line)

SWA/1

Off

í Phase equalization disabled

SWA/2

Off

Phase equalization enabled

SWA/2

On

í Factory configured - do not alter

SWA/3

N/A

í Factory configured - do not alter

SWA/4

N/A

í Factory configured - do not alter

SWB/1

N/A

í New synchronization pulse generation disabled

SWB/2

Off

New synchronization pulse generation enabled

SWB/2

On

í Modem uses internal clock source

SWB/3

On

Modem uses external clock source

SWB/3

Off

DTR normal

SWB/4

Off

DTR forced high

SWB/4

On

USER CONFIGURABLE SETTINGS (CON’T)

Setting

Label

Position

í Transmit clock separated from receive clock

SWB/5

Off

Receive clock looped through to transmit clock

SWB/5

On

í DSR forced low when modem is in test mode

SWB/6

Off

DSR normal when modem is in test mode

SWB/6

On

í RTS normal

SWB/7

Off

RTS forced high

SWB/7

On

í 50ms delay from carrier signal to raise DCD

SWC/1

On

10ms delay from carrier signal to raise DCD

SWC/1

Off

í 275ms delay from answer tone to RTS disabled

SWC/2

Off

275ms delay from answer tone to RTS enabled

SWC/2

On

í 160ms delay from CTS to RTS

SWC/3

On

7.1ms delay from CTS to RTS

SWC/3

Off

í Local echo disabled

SWC/4

Off

Local echo enabled

SWC/4

On

í 105ms transmit to receive delay enabled

SWC/5

On

105ms transmit to receive delay disabled

SWC/5

Off

í Factory configured - do not alter

SWC/6

N/A

í Modem will pick up the line only when handset is off-hook

SWC/7

Off

Modem will pick up the line only when handset is on-hook

SWC/7

On

í Factory configured - do not alter

JA

N/A

í Factory configured - do not alter

JB

N/A

Modem will disconnect on reversal of line current

JD

Open

Modem will not disconnect on reversal of line current

JD

Closed

í Factory configured - do not alter

JE

Open

í Signal ground not connected to chassis ground

JF

Open

Signal ground connected to chassis ground

JF

Closed

í Factory configured - do not alter

JG

N/A

í Factory configured - do not alter

JH

Open

í Factory configured - do not alter

JI

N/A

í Analog loopback and busy out controls on pins 18 and 25 disabled

JJ

Closed

Analog loopback and busy out controls on pins 18 and 25 enabled

JJ

Open

í Pin 18 or 25 controls busy out only

JK

Open

Pin 18 or 25 controls analog loopback test and busy out

JK

Closed

í Factory configured - do not alter

JL

N/A

í Receive clock follows transmit clock when no carrier signal is present

JM

Open

Receive clock forced high when no carrier signal is present

JM

Closed

í SW3 functions enabled

JP

Closed

SW3 functions disabled

JP

Open

í Factory configured - do not alter

JO

N/A

í Factory configured - do not alter

JQ

N/A

USER CONFIGURABLE SETTINGS (CON’T)

Setting

Label

Position

í CTS normal

JR

Open

CTS follows RTS

JR

Closed

í Auto-answer enabled

JS

Open

Auto-answer disabled

JS

Closed

Signal receive level set at switched-line levels

SW1B/1

On

Signal receive level set at leased-line levels

SW1B/1

Off

í Secondary channel transmission attenuation set to -5dBm

SW1B/2

Off

Secondary channel transmission attenuation set to 0dBm

SW1B/2

On

í Secondary channel local echo disabled

SW1B/3

On

Secondary channel local echo enabled

SW1B/3

Off

í Secondary channel data rate set to 150bps

SW1B/4

On

Secondary channel data rate set to 75bps

SW1B/4

Off

í Analog loopback test and/or busy out controlled by pin 25

W1

Pins 2 & 3 closed

Analog loopback test and/or busy out controlled by pin 18

W1

Pins 1 & 2 closed

Hardware configuration is used

W2

Pins 2 & 3 closed

Factory configuration is used

W2

Pins 1 & 2 closed

LINE TYPE

Setting

JC

JN

Switched line

Closed

Open

2-wire leased line

Closed

Closed

4-wire leased line

Open

Closed

TRANSMISSION LEVEL

Setting

W3

Permissive (-10dBm)

Pins 1 & 2 closed

Leased-line (0dBm)

Pins 2 & 3 closed

Programmable

Open

DIAGNOSTIC LED(S)

LED

Color

Status

Condition

TXD

Red

On

Modem is transmitting data

TXD

Red

Off

Modem is not transmitting data

RXD

Red

On

Modem is receiving data

RXD

Red

Off

Modem is not receiving data

RTS

Red

On

RTS signal is high

RTS

Red

Off

RTS signal is low

CTS

Red

On

CTS signal is high

CTS

Red

Off

CTS signal is low

DSR

Red

On

DSR signal is high

DSR

Red

Off

DSR signal is low

DTR

Red

On

DTR signal is high

DTR

Red

Off

DTR signal is low

RI

Red

Blinking

Phone is ringing

RI

Red

Off

Phone is not ringing

CXR

Red

On

Carrier signal detected

CXR

Red

Off

Carrier signal not detected

MISCELLANEOUS TECHNICAL NOTES

The -S and -P models are permissive and programmable switched line modems, respectively. The -G and -K models are 2-wire and 4-wire leased line modems, respectively. The defaults for the jumpers reflect these differences where applicable.