AITECH INTERNATIONAL CORPORATION
GAMEPLAYERTV (W/O AUDIO)
|
Category |
Video |
|
Video Types Supported |
XVGA |
|
Video Processor |
AITech International |
|
Highest Resolution Supported |
800 x 600 |
|
Data Bus Type |
8-bit ISA |
|
Memory Type |
N/A |
|
Maximum Onboard Memory |
None |
|
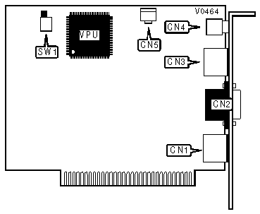
CONNECTIONS | |||
|
Purpose |
Location |
Purpose |
Location |
|
DIN 8 connector (out to VGA card) |
CN1 |
RCA video port |
CN4 |
|
15-pin analog video port |
CN2 |
Brightness control |
CN5 |
|
DIN 8 connector (out to SVHS in) |
CN3 | ||
|
HORIZONTAL VIDEO SYNCHRONIZATION |
|
SW1 |
|
Toggle switch to the side which results in the best picture. |