320/520 Planar
rfpcimca.exe   320 / 520 Reference Diskette version 2.07
rdpcimca.exe   320 / 520 Micro Channel Diagnostic Disk v5.30 
33l3917.exe  320 / 520 Micro Channel BIOS Flash Update Disk v29A 
m30h2591.exe   320 and 520 OS/2 Video Support Disk version 1.23 
m30h2594.exe   320 / 520 Windows and Utilties Video Spt 1/2 ver 1.23 
m30h2597.exe    320 / 520 Windows and Utilties Video Spt 2/2 ver 1.23 
mcantsmp.exe  320 / 520 NT SMP Support Diskette for MC version 1.01 
m84h4257.exe  320 /520 NT Spt Disk for Cirrus Logic 5436 Video ver 1.01


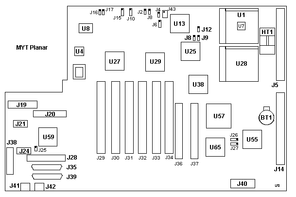
Level E Planar (no J1) FRU 96G3694

 
BT1 CR2032
J2 SCSI LED
J3 IDE HD LED
J4 Front Panel fan
J5 L2 Cache
J6 Speaker
J8 CPU fan connector
J9 CPU Fan connector
J10 Power LED
J12 Clock multiplier
J14 Memory card
J15 Password write
J16 C2 cover open
J17 C2 Keylock
J19 Parallel port header
J20 Floppy header
J21 Serial B header
J24 Serial A header
J26 SCSI Select
J27 Video Select
J38 PSU connector
J41 KB connector
J42 PS2 Mouse connector
J43 CPU clock speed
HT1 Voltage regulator
U1 Primary CPU
U28 Secondary CPU
1

PCI 2.0 (2 slots) / Intel Neptune 82434NX PCMC
256 KB / 512 KB Shared L2 cache with full SMP support
Write-back (organization: direct mapped; 15 ns) / asynchronous

16 MB / 256 MB / 70 ns / 72 pin / gold connectors / fast-page mode
70 ns (supports 4, 8, 16, 32 MB industry standard parity SIMMs) 
Parity / all memory must be installed in matched pairs due to 64 bit path to memory / all memory addressable by DMA
Supports 4, 8, 16, 32 MB EOS (ECC-on-SIMM) 70ns memory

You can run the MYT motherboard to 120MHz (60MHz x 2.0) but AFAIK, that's the fastest you can go: based on my experience, if you set J43 to 66MHz, then the system won't boot.  You need the MDx or MZx motherboard to run at 66MHz.

 Gilbert Saint-flour

8640/8641 Micro Channel Processor Planar Jumper Settings 

Text 
   For the PC Server 320 Micro Channel Systems, there are two System board FRUs: FRU p/n 96G1340 supports 75MHz and 90MHz only. FRU p/n 96G3694 supports 75MHz, 90MHz, 100MHz, and 133MHz. 
   For the PC Server 520 Micro Channel Systems, there is one System board FRU: FRU p/n 96G2648 supports 75MHz, 90MHz, 100MHz, and 133MHz. 
     In addition there are two versions of 96G3694 and 96G2648: Original planar (Level D & E): No J1, J12 (2-pin), J43 (6-pin). New planar (Level G): J1 (3-pin), J12 (3-pin), J43 (6-pin). 

   On the new planar (Level G), a new jumper J1 (3-pin) was added AND J12 was changed from a 2-pin to a 3-pin jumper. Jumpers J1, J12 and J43 control the processor speed.

J1 (new planar) is located to the left of the processor and J12. 
J12 is located to the left of the processor. 
 J43 is located a little less than halfway down the system board beneath the processors. It has three double jumpers (6-pins) corresponding to each oscillator located right beneath the processors.
     The three oscillators from left to right are 50, 60, and 66 MHz. When you jumper the pins, you are grounding its corresponding oscillator thus disabling it. 

There were two different boards. They're made by Micronics - and the first series (Board FRU 96G1340) had only 50 and 60MHz available, while the later series (Board FRU 96G3694) supplied 50, 60 and 66MHz. The Server 520 used basically the same boards, but appears to be 66MHz capable right from the beginning.

The earlier Level D and E planar had a J43 consisting of 2 x 3 pins and J 12 of 2 pins. The Level G planar had a J43 with 2 x 3 pins, J 12 with 3 pins and J 1 with 3 pins. 

The EPRM has the pinout and use for the various settings. See below:
 

      8640 PC Server Model 320 System Board (MC-PCI) 

      System Board Connections 

      J2   SCSI LED Connector (yellow / white) 
      J3   IDE Hard Drive LED Connector (red / white) 
      J4   System Fan Connector (black / red) 
      J5   Cache Card Connector 
      J6   Speaker Connector 
      J8   Primary CPU Fan Connector 
      J9   Secondary CPU Fan Connector 
      J10  Power LED Connector (green / white) 

      J12  Spare Jumper (Clock Multiply) 
        Pin 1-2 = x2 
        Pin 1   = x1.5 

      J13  IDE Hard Drive Connector 

      J15  Password Write 
        Disable = Pin 1-2 
        Enable = Pin 2-3 

      J16  C2 Cover Open 
      J17  C2 Keylock 

      J19  Parallel Port Connector 
      J20  Diskette Drive Connector 
      J21  Serial Port B-Connector 
      J24  Serial Port A-Connector 
      J25  Reset Switch 

      J26  SCSI select 
        System Board = Pin 1-2 (default) 
        installed Adapter = Pin 2-3 

      J27  Video select 
        System Board = Pin 1-2 (default) 
        installed Adapter = Pin 2-3 

      J28  SCSI Standard Connector 
      J35  SCSI Fast/Wide Connector 
      J38  Power Supply Connector 
      J39  SCSI Fast/Wide external Connector 
      J40  Video Connector 
      J41  Keyboard Connector 
      J42  Mouse Connector 

      J43  Clock select 
        50MHz = Pin 3-4, 5-6 
        60MHz = Pin 1-2, 5-6 
        66MHz = Pin 1-2, 3-4 
 

      The following diagram indicate the pin orientation and numbering scheme  with respect to the edge of the planar. Refer to the diagram on the
system frame or door for additional information. 
 

               Level D and E Planer                   Level G Planar

                  1 °  ° 2                      1 °  ° 2
                  3 °  ° 4                      3 °  ° 4
                  5 °  ° 6                      5 °  ° 6
                    (J43)    1 °                  (J43)  1 °   1 °
                             2 °                         2 °   2 °
                              (J12)                      3 °   3 °
                                                         (J1)  (J12)

            +-----------------------------------------------------------+
            |                   (Original-Levels)                       |
            |    Level D     |      Level E      |      Level G         |
 +----------|----------------|-------------------|----------------------|
 |          |  96G1340 (320) |     N/A           |     N/A              |
 |  FRU P/N |    N/A         |   96G3694 (320)   |   96G3694 (320)      |
 |          |  96G2648 (520) |   96G2648 (520)   |   96G2648 (520)      |
 |----------|----------------|-------------------|----------------------|
 |   Jumper |  J12  |  J43   |  J12   |    J43   |   J1 | J12  |  J43   |
 |          | 2-pin | 6-pin  | 2-pin  |   6-pin  | 3-pin|3-pin | 6-pin  |
 |------------------|-----------------|-----------------|------|--------|
 |Processor |       |                 |                 |      |        |
 |------------------|-----------------|-----------------|------|--------|
 |50/75MHz  | open  |3-4, 5-6|  open  | 3-4, 5-6 |  1-2 | 1-2  |3-4, 5-6|
 |----------|-------|--------|--------|----------|------|------|--------|
 |60/90MHz  | open  |1-2, 5-6|  open  | 1-2, 5-6 |  1-2 | 1-2  |1-2, 5-6|
 |          |  (320 only)    |        |          |      |      |        |
 |----------|-------|--------|--------|----------|------|------|--------|
 |66/100MHz | open  |1-2, 3-4|  open  | 1-2, 3-4 |  1-2 | 1-2  |1-2, 3-4|
 |          |  (520 only)    |        |          |      |      |        |
 |----------|----------------|--------|----------|------|------|--------|
 |66/133MHz | Not Supported  |   1-2  | 1-2, 3-4 |  1-2 | 2-3  |1-2, 3-4|
 +----------------------------------------------------------------------+
 
 

9595 Main Page