| Release Notes | |
| Safety Measures | |
| 0. | Introduction |
| 1. | System description |
| 2. | Disassembly / Assembly |
| 3. | System test |
| 4. | Fault diagnosis and repair |
| 5. | Parts list |
| 6. | Test equipment |
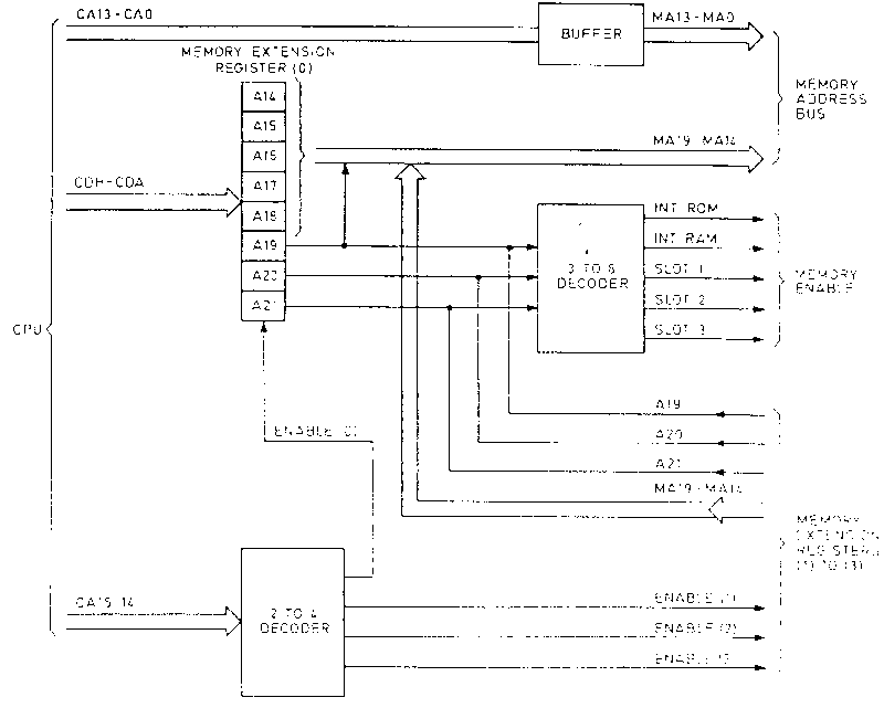
| 1.1 | Memory addressing |
| 1.2 | LCD interface timing |
| 1.3 | Keyboard matrix interconnections |
| 1.4 | Z88 Block diagram - Part 1 |
| 1.5 | Z88 Block diagram - Part 2 |
| 1.6 | Z88 Circuit diagram |
| 1.7 | Memory card circuit diagram |
| 3.1 | Test fixture connections |
| 4.1 | JEDEC Modification Solder Side of Board |
| 4.2 | JEDEC Modification Component Side of Board |
| 5.8 | Printed Circuit Board (Issue 3) Component Layout |
| 5.9 | Printed Circuit Board (Issue 4) Component Layout |
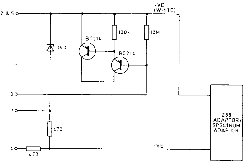
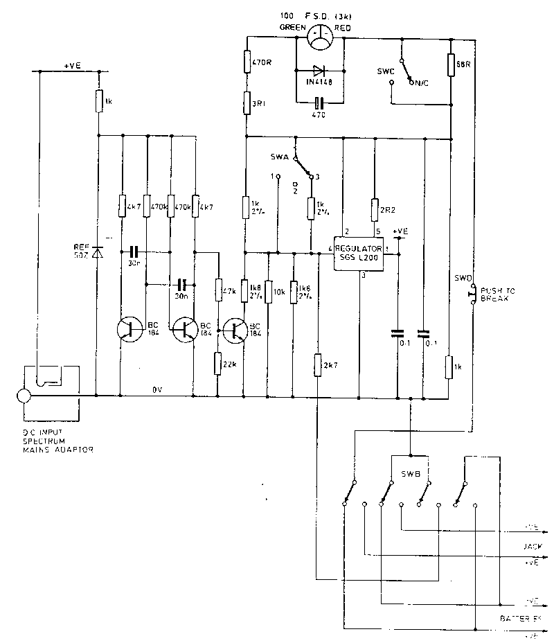
| A.1 | PSU for test fixture |
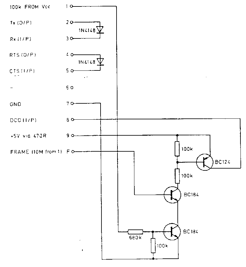
| A.2 | RS232 loopback test plug |
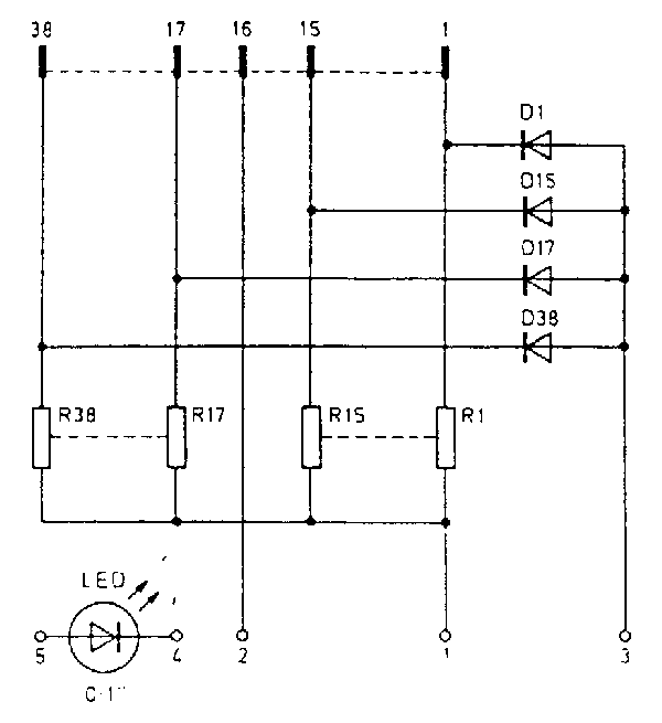
| A.3 | Card Tester Circuit for Slot Connectors and Bus Extension Connector |
| A.4 | Slot tester test head circuit |
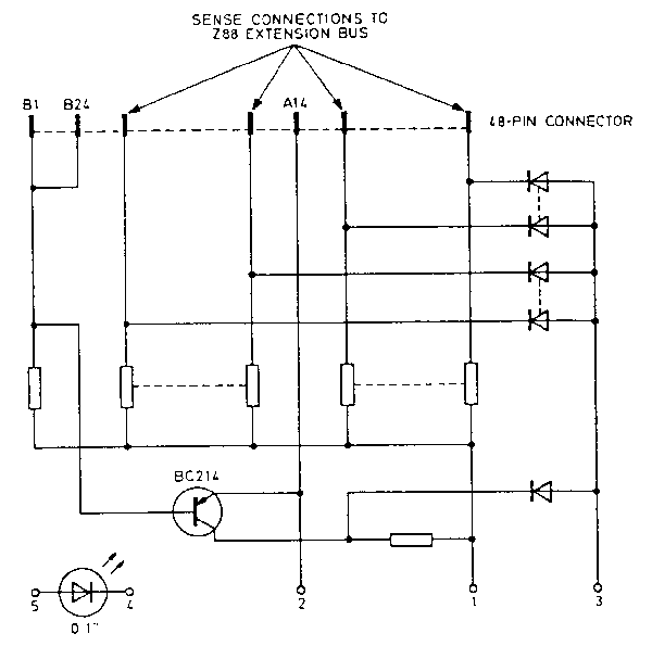
| A.5 | Bus Extension Tester Test Head Circuit Diagram |